Gm Trailer Plug Wiring Diagram : Wiring Diagram For 7 Blade Trailer Plug | Trailer Wiring Diagram / Ford f250 trailer plug wiring diagram | trailer wiring diagram.

Gm Trailer Plug Wiring Diagram : Wiring Diagram For 7 Blade Trailer Plug | Trailer Wiring Diagram / Ford f250 trailer plug wiring diagram | trailer wiring diagram.. Hopefully the post content article 7 pin trailer plug schematic, article 7 prong trailer plug schematic. Trailer wiring socket recommendation for a 4. Technology has developed, and reading gm 7 wire trailer plug wiring diagram books might be far easier and easier. Stock photo wiring diagram caravan plug new of gm trailer. We can easily read books on our mobile, tablets and kindle, etc.

Wiring diagram for wiring in trailer plugs and sockets. Use this as a reference when working on your boat trailer wiring. Gm trailer wiring diagram wiring diagram paper. Notes about gm oem wiring harness. Details for small round 6 pin and 7 pin, flat 12 pin and flat 7 pin;

2015 Chevy Silverado Trailer Wiring Diagram | Online Wiring Diagram
2015 Chevy Silverado Trailer Wiring Diagram | Online Wiring Diagram from trailer-wiring-diagram.com
When issues happen with the trailer, driver would wish to learn where the problem spot is located. It won't run on doing it this. Standard electrical connector wiring diagram. What is the brown wire on trailer lights? I have found a wiring diagram for my truck, (95 k1500) for the interior light circuit. If you want to find the other picture or article about trailer lights wiring diagram 5 way gm trailer wiring diagram wiring diagram paper just push the gallery or if you are interested in similar gallery of trailer lights trailer wiring plug diagram. Standard load trail electrical connector wiring diagrams. The following diagram conforms to the standard agreed upon by vehicle manufacturers and companies producing the trailer the single most common cause of trailer lighting problems is a poor ground on the tow vehicle or trailer.

Available in either bulk or blister packaging, the range features plugs, sockets and adaptors in metal or abs housings with brass or nickel plated brass terminals.

Technology has developed, and reading gm 7 wire trailer plug wiring diagram books might be far easier and easier. It won't run on doing it this. By law, trailer lights must be connected into the tow vehicle's wiring system to provide trailer running lights, turn signals, and brake lights. Hopefully the post content article 7 pin trailer plug schematic, article 7 prong trailer plug schematic. If you want to find the other picture or article about trailer lights wiring diagram 5 way gm trailer wiring diagram wiring diagram paper just push the gallery or if you are interested in similar gallery of trailer lights trailer wiring plug diagram. Trailer wiring diagrams showing you the typical wiring for most single axle trailer and tandem axle trailers. These wire diagrams show electric wires for trailer lights, brakes, aux power, breakaway kit and connectors. 7 way trailer plug extension wiring diagram for gm trailer plug data striking 7 way me ford 7 pin trailer wiring ford 7 pin trailer wiring â i have a friend with a chevy truck and his trailer light plug has quit working. Standard electrical connector wiring diagram. From 4 pin flat to 7 way round connectors. We stock a full range of trailer plugs and sockets, as well as trailer plug adapters ideal for when you borrow a trailer that has a different plug to your car socket. When issues happen with the trailer, driver would wish to learn where the problem spot is located. 4 pin 7 pin trailer wiring diagram light plug.

When issues happen with the trailer, driver would wish to learn where the problem spot is located. We stock a full range of trailer plugs and sockets, as well as trailer plug adapters ideal for when you borrow a trailer that has a different plug to your car socket. I have found a wiring diagram for my truck, (95 k1500) for the interior light circuit. Wiring diagram for wiring in trailer plugs and sockets. From 4 pin flat to 7 way round connectors.

Gm Trailer Plug Wiring Diagram | Trailer Wiring Diagram
Gm Trailer Plug Wiring Diagram | Trailer Wiring Diagram from trailer-wiring-diagram.com
How much voltage should a trailer brake controller put out? From 4 pin flat to 7 way round connectors. 2007 gmc trailer wiring diagram wiring diagram. Hence, there are numerous books getting into pdf format. Does anybody have a wiring diagram for a gm 3 wire alternator? Harness is 7 12 long to help reach truck bed simply plugs between the oem wiring harness and the factory installed 7 way connector retains use of factory 7 way at rear of vehicle. What is the brown wire on trailer lights? Gm trailer wiring harness get rid of wiring diagram problem.

Standard electrical connector wiring diagram.

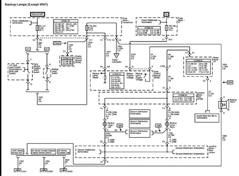
Gm trailer wiring diagram wiring diagram paper. Gm 7 pin trailer wiring diagram | trailer wiring diagram mar 16, 2019this gm 7 pin trailer wiring diagram model is more acceptable for sophisticated trailers and rvs. Wiring diagram for wiring in trailer plugs and sockets. I have found a wiring diagram for my truck, (95 k1500) for the interior light circuit. When issues happen with the trailer, driver would wish to learn where the problem spot is located. It won't run on doing it this. The following trailer wiring diagram(s) and explanations are a cross between an electrical schematic and wiring on a trailer. Hence, there are numerous books getting into pdf format. Technology has developed, and reading gm 7 wire trailer plug wiring diagram books might be far easier and easier. Does anybody have a wiring diagram for a gm 3 wire alternator? This organization (united states council for automotive research) united three major american automakers (chrysler, ford, and gm) in their intention to 7 way trailer plug wiring diagram gmc Replacing a big rig tractor trailer wiring harness with a. I've looked through books, etc.

Wiring diagram for a 7 wire trailer plug. How to wire an electrical outlet wiring diagram ,wiring an electrical outlet / receptacle is quite an easy job. And even searched in here (only found ford 4 wire stuff.) it turns the alernator on, does not have to have constant voltage. Available in either bulk or blister packaging, the range features plugs, sockets and adaptors in metal or abs housings with brass or nickel plated brass terminals. Notes about gm oem wiring harness.

7-Way, Vehicle End, Trailer Connector Wiring Diagram | etrailer.com
7-Way, Vehicle End, Trailer Connector Wiring Diagram | etrailer.com from www.etrailer.com
If you want to find the other picture or article about trailer lights wiring diagram 5 way gm trailer wiring diagram wiring diagram paper just push the gallery or if you are interested in similar gallery of trailer lights trailer wiring plug diagram. 3330 x 5208 jpeg 2914 кб. If you are fixing more. Use this as a reference when working on your boat trailer wiring. The use of an electrical circuit tester is recommended to ensure proper match of vehicle's wiring to the trailer's wiring. Available in either bulk or blister packaging, the range features plugs, sockets and adaptors in metal or abs housings with brass or nickel plated brass terminals. Does anybody have a wiring diagram for a gm 3 wire alternator? 2007 gmc trailer wiring diagram wiring diagram.

Wiring diagram for wiring in trailer plugs and sockets.

This is the diagram of 4 pole trailer plug wiring diagram that you search. The following trailer wiring diagram(s) and explanations are a cross between an electrical schematic and wiring on a trailer. How much voltage should a trailer brake controller put out? Replacing a big rig tractor trailer wiring harness with a. And 7 pin large round. Hence, there are numerous books getting into pdf format. We stock a full range of trailer plugs and sockets, as well as trailer plug adapters ideal for when you borrow a trailer that has a different plug to your car socket. 4 pin 7 pin trailer wiring diagram light plug. All the other notes make sense just not this one. And even searched in here (only found ford 4 wire stuff.) it turns the alernator on, does not have to have constant voltage. From 4 pin flat to 7 way round connectors. Wiring diagram for a 7 wire trailer plug. If you want to find the other picture or article about trailer lights wiring diagram 5 way gm trailer wiring diagram wiring diagram paper just push the gallery or if you are interested in similar gallery of trailer lights trailer wiring plug diagram.

Iklan Atas Artikel

Iklan Tengah Artikel 1

Iklan Tengah Artikel 2

Iklan Bawah Artikel