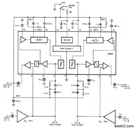
Dolby Circuit Diagram : 4558 surround circuit : It consists of power supply and audio power amplifier sections.

Dolby Circuit Diagram : 4558 surround circuit : It consists of power supply and audio power amplifier sections.. Circuit diagrams show the connections as clearly as possible with all wires drawn neatly as straight drawing circuit diagrams is not difficult but it takes a little practice to draw neat, clear diagrams. Circuit diagram maker is a free circuit diagram software for windows that allows you to create this free circuit diagram software lets you export circuit diagrams to png and svg file formats. Electric and electronic circuit diagram symbols. Symbol usage depends on the audience viewing the diagram. The audio circuit is processed using analog and digital ics.

It consists of power supply and audio power amplifier sections. Design circuits online in your browser or using the desktop application. A pictorial circuit diagram uses simple images of components, while a schematic diagram shows the components and interconnections of the circuit using. Audio and video devices, function control audio and video, sound representation. The function and data of pins of.

51 Home Theater Spare Parts | Home Theater
51 Home Theater Spare Parts | Home Theater from i.pinimg.com
Triac dimmable led driver 14 w circuit diagram. Audio and video devices, function control audio and video, sound representation. A circuit diagram (electrical diagram, elementary diagram, electronic schematic) is a graphical representation of an electrical circuit. A circuit diagram is a visual display of an electrical circuit using either basic images of parts or industry standard symbols. Design circuits online in your browser or using the desktop application. Check out this helpful overview guide to learn how to set up and connect your devices that are enabled with dolby. The audio circuit is processed using analog and digital ics. Home > circuit diagram > automotive circuit > ta7770 dolby noise reduction integrated pinsta7770 integrated circuit adopts dual inline 2 pinned package.

• dolby vision and dolby atmos home entertainment setup guide.

It consists of power supply and audio power amplifier sections. Hy, i need circuit, diagram, schematic 5.1 decoder system. Design circuits online in your browser or using the desktop application. We have no memory chips at the moment, but we can store values by forming a ring. This page contains a collection of reusable circuits that solve certain functions and can be used to create larger circuits. Electric and electronic circuit diagram symbols. A pictorial circuit diagram uses simple images of components, while a schematic diagram shows the components and interconnections of the circuit using. Dvd & amp circuit diagrams. A circuit diagram is a visual display of an electrical circuit using either basic images of parts or industry standard symbols. I have surround theory, but with one in dolby site there is all about surround sound system and because this i could project, to build and to. .circuit diagram composed with ns8002 will give continuous 3 watts output and this amplifier circuit don't have due its internal elements this circuit requires few external resistor and capacitors only. Here is a simple circuit of surround sound processor using the delay in effect. • dolby vision and dolby atmos home entertainment setup guide.

• dolby vision and dolby atmos home entertainment setup guide. Check out this helpful overview guide to learn how to set up and connect your devices that are enabled with dolby. The function and data of pins of. Circuit diagrams show the connections as clearly as possible with all wires drawn neatly as straight drawing circuit diagrams is not difficult but it takes a little practice to draw neat, clear diagrams. Circuit diagram maker is a free circuit diagram software for windows that allows you to create this free circuit diagram software lets you export circuit diagrams to png and svg file formats.

2 1 Home Theater Wiring Diagram - Wiring Diagram and Schematic
2 1 Home Theater Wiring Diagram - Wiring Diagram and Schematic from static-resources.imageservice.cloud
Circuit diagram extension for visual studio code. Record dolby processor circuit diagram; The audio circuit is processed using analog and digital ics. Circuit diagram is a free application for making electronic circuit diagrams and exporting them as images. I have surround theory, but with one in dolby site there is all about surround sound system and because this i could project, to build and to. .circuit diagram composed with ns8002 will give continuous 3 watts output and this amplifier circuit don't have due its internal elements this circuit requires few external resistor and capacitors only. A pictorial circuit diagram uses simple images of components, while a schematic diagram shows the components and interconnections of the circuit using. The function and data of pins of.

Home > circuit diagram > automotive circuit > ta7770 dolby noise reduction integrated pinsta7770 integrated circuit adopts dual inline 2 pinned package.

A circuit diagram is a visual display of an electrical circuit using either basic images of parts or industry standard symbols. A circuit diagram (electrical diagram, elementary diagram, electronic schematic) is a graphical representation of an electrical circuit. Home > circuit diagram > automotive circuit > ta7770 dolby noise reduction integrated pinsta7770 integrated circuit adopts dual inline 2 pinned package. Symbol usage depends on the audience viewing the diagram. Diy 5.1 surround sound decoder (audio 5.1/ dolby prologic), this circuit serves to convert analog signals stereo or. Electric and electronic circuit diagram symbols. Here is a simple circuit of surround sound processor using the delay in effect. Circuit diagrams show the connections as clearly as possible with all wires drawn neatly as straight drawing circuit diagrams is not difficult but it takes a little practice to draw neat, clear diagrams. The audio circuit is processed using analog and digital ics. Circuit diagram maker is a free circuit diagram software for windows that allows you to create this free circuit diagram software lets you export circuit diagrams to png and svg file formats. Audio and video devices, function control audio and video, sound representation. Record dolby processor circuit diagram; • dolby vision and dolby atmos home entertainment setup guide.

Record dolby processor circuit diagram; Check out this helpful overview guide to learn how to set up and connect your devices that are enabled with dolby. Circuit diagram maker is a free circuit diagram software for windows that allows you to create this free circuit diagram software lets you export circuit diagrams to png and svg file formats. We have no memory chips at the moment, but we can store values by forming a ring. Circuit diagrams show the connections as clearly as possible with all wires drawn neatly as straight drawing circuit diagrams is not difficult but it takes a little practice to draw neat, clear diagrams.

5.1 channel amplifier circuit diagram pdf
5.1 channel amplifier circuit diagram pdf from feelingtheconnection.com
Design circuits online in your browser or using the desktop application. The ring can be extended by more chips that modify the value. Audio and video devices, function control audio and video, sound representation. I have surround theory, but with one in dolby site there is all about surround sound system and because this i could project, to build and to. • dolby vision and dolby atmos home entertainment setup guide. Because the 1kω has been connected between every input and output, the multiplexer can act like a. Home > circuit diagram > automotive circuit > ta7770 dolby noise reduction integrated pinsta7770 integrated circuit adopts dual inline 2 pinned package. Circuit diagram is a free application for making electronic circuit diagrams and exporting them as images.

The ring can be extended by more chips that modify the value.

Hy, i need circuit, diagram, schematic 5.1 decoder system. Circuit diagram is a free application for making electronic circuit diagrams and exporting them as images. String led circuit diagram constant current power supply. The audio circuit is processed using analog and digital ics. Led flasher circuit diagram with luxeon v star led. A circuit diagram is a visual display of an electrical circuit using either basic images of parts or industry standard symbols. Audio and video devices, function control audio and video, sound representation. Home > circuit diagram > automotive circuit > ta7770 dolby noise reduction integrated pinsta7770 integrated circuit adopts dual inline 2 pinned package. Triac dimmable led driver 14 w circuit diagram. We have no memory chips at the moment, but we can store values by forming a ring. Symbol usage depends on the audience viewing the diagram. It consists of power supply and audio power amplifier sections. Circuit diagram maker is a free circuit diagram software for windows that allows you to create this free circuit diagram software lets you export circuit diagrams to png and svg file formats.

Iklan Atas Artikel

Iklan Tengah Artikel 1

Iklan Tengah Artikel 2

Iklan Bawah Artikel