3 Phase Bridge Rectifier Circuit Diagram - Simulation of the three-phase diode bridge Rectifier. | Download Scientific Diagram - All the sixoperating modes of a 3 phase bridge rectifier namely, d d , d d , d.

3 Phase Bridge Rectifier Circuit Diagram - Simulation of the three-phase diode bridge Rectifier. | Download Scientific Diagram - All the sixoperating modes of a 3 phase bridge rectifier namely, d d , d d , d.. The step down transformer reduces the high voltage ac into low amplitude ac supply and that is also in sine form (positive and negative cycles), during the positive cycle of the input signal terminal a is positive with respect to terminal b. Earlier, i just tested power generation by connecting my multimeter to one of the live. Generally, all these blocks combination is called a regulated dc power supply that powers various electronic appliances. Block diagram of ic7805 voltage regulator is shown in the above figure. Three phase bridge rectifier using 20l6p45.

A filter capacitor is connected to the dc side of the rectifier. In this type of rectifier, it utilizes diodes in the circuitry. Alternatively, it can be seen that the bridge. My confusion is how the neutral of stator gets connected to the bridge rectifier. 4.2 description of circuit operation.

The generator sub-circuit with wind turbine & 3-phase bridge rectifier | Download Scientific Diagram
The generator sub-circuit with wind turbine & 3-phase bridge rectifier | Download Scientific Diagram from www.researchgate.net
The bridge rectifier circuit diagram consists of various stages of devices like a transformer, diode bridge, filtering, and regulators. Earlier, i just tested power generation by connecting my multimeter to one of the live. These ripples are the ac components in the dc voltage. Still, 3.7 khz is not all that high a frequency in the electrical world, and packaged rectifiers targeting 60 hz applications may be quite suitable, as long as an allowance is made for some increased dynamic. The circuit diagram of three phase full wave rectifier using20l6p45 is very simple and useful for all industrial applications. 4.2 description of circuit operation. All the sixoperating modes of a 3 phase bridge rectifier namely, d d , d d , d. Identify the below given circuit.

The proposed 3 phase motorcycle voltage regulator circuit for motorcycle may be witnessed in the diagram below.

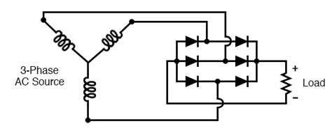
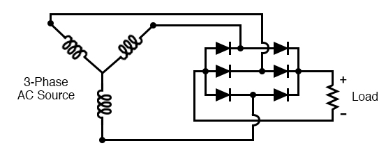
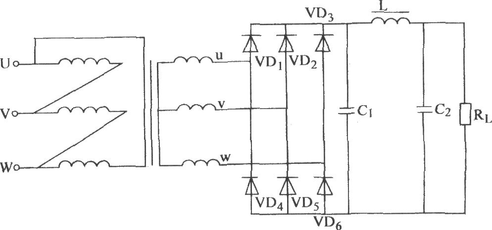
The following diagram shows the practical three phase diode bridge rectfier. The step down transformer reduces the high voltage ac into low amplitude ac supply and that is also in sine form (positive and negative cycles), during the positive cycle of the input signal terminal a is positive with respect to terminal b. Learn what a bridge rectifier is, the working principle & operation of a bridge wave rectifier, and its circuit diagram. A filter capacitor is connected to the dc side of the rectifier. 3 phase rectifier is a device which rectifies the input ac voltage with the use of 3 phase transformer and 3 diodes which are connected to each of thus, in such types of arrangement we need smoothing circuit in order to remove these ripples. Generally, all these blocks combination is called a regulated dc power supply that powers various electronic appliances. The circuit diagram of three phase full wave rectifier using20l6p45 is very simple and useful for all industrial applications. Operation of the three phase full wave uncontrolled rectifier (a) circuit diagram, (b) conduction table, (c) wave formssince the load current is assumed to output capacitor voltage is larger than the maximum line voltage. Advantage and disadvantage of this three phase inverter circuit. Block diagram of ic7805 voltage regulator is shown in the above figure. The supply side transmission line is represented by the r and l in series. Still, 3.7 khz is not all that high a frequency in the electrical world, and packaged rectifiers targeting 60 hz applications may be quite suitable, as long as an allowance is made for some increased dynamic. Three phase bridge rectifier using 20l6p45.

Earlier, i just tested power generation by connecting my multimeter to one of the live. Hi blogthor i had a question that can use this 3 phase output and apply it to a 3 phase rectifier. The following diagram shows the practical three phase diode bridge rectfier. Advantage and disadvantage of this three phase inverter circuit. The diodes are numbered in the order of conduction sequences.

Three phase six-switch PWM buck rectifier. | Download Scientific Diagram
Three phase six-switch PWM buck rectifier. | Download Scientific Diagram from www.researchgate.net
The bridge rectifier circuit diagram consists of various stages of devices like a transformer, diode bridge, filtering, and regulators. I get from the circuit diagram that the dc positive output is on the bottom left of the product image and the bottom right is the negative. My confusion is how the neutral of stator gets connected to the bridge rectifier. The diodes are numbered in the order of conduction sequences and the conduction angle of each diode is 2/3. Alternatively, it can be seen that the bridge. A simple explanation of bridge rectifiers. It consists of an operating amplifier that acts as error amplifier, zener diode used for providing voltage reference. The step down transformer reduces the high voltage ac into low amplitude ac supply and that is also in sine form (positive and negative cycles), during the positive cycle of the input signal terminal a is positive with respect to terminal b.

As scrs are used as the switching.

Earlier, i just tested power generation by connecting my multimeter to one of the live. A filter capacitor is connected to the dc side of the rectifier. The load current is assumed to be continuous at least one diode from the. The diodes are numbered in the order of conduction sequences. These ripples are the ac components in the dc voltage. The proposed 3 phase motorcycle voltage regulator circuit for motorcycle may be witnessed in the diagram below. The step down transformer reduces the high voltage ac into low amplitude ac supply and that is also in sine form (positive and negative cycles), during the positive cycle of the input signal terminal a is positive with respect to terminal b. I get from the circuit diagram that the dc positive output is on the bottom left of the product image and the bottom right is the negative. 4.2 description of circuit operation. Advantage and disadvantage of this three phase inverter circuit. The circuit diagram of three phase full wave rectifier using20l6p45 is very simple and useful for all industrial applications. A simple explanation of bridge rectifiers. All the sixoperating modes of a 3 phase bridge rectifier namely, d d , d d , d.

All the sixoperating modes of a 3 phase bridge rectifier namely, d d , d d , d. The diodes are numbered in the order of conduction sequences and the conduction angle of each diode is 2/3. It consists of an operating amplifier that acts as error amplifier, zener diode used for providing voltage reference. Still, 3.7 khz is not all that high a frequency in the electrical world, and packaged rectifiers targeting 60 hz applications may be quite suitable, as long as an allowance is made for some increased dynamic. Hi blogthor i had a question that can use this 3 phase output and apply it to a 3 phase rectifier.

Three-phase bridge full-controlled rectifier and single-phase AC voltage driving circuit diagram ...
Three-phase bridge full-controlled rectifier and single-phase AC voltage driving circuit diagram ... from www.seekic.com
Still, 3.7 khz is not all that high a frequency in the electrical world, and packaged rectifiers targeting 60 hz applications may be quite suitable, as long as an allowance is made for some increased dynamic. 4.2 description of circuit operation. The load current is assumed to be continuous at least one diode from the. Three phase half controlled converter fig:1 shows the circuit diagram of three phase half controlled converter supplying an r load. And the common function of a diode is to allow an electric current to pass in one direction (called the diode's forward direction), while blocking it in the opposite direction (the reverse direction). Earlier, i just tested power generation by connecting my multimeter to one of the live. Generally, all these blocks combination is called a regulated dc power supply that powers various electronic appliances. Full wave bridge rectifier circuit diagram.

Full wave bridge rectifier circuit diagram.

My confusion is how the neutral of stator gets connected to the bridge rectifier. Earlier, i just tested power generation by connecting my multimeter to one of the live. The load current is assumed to be continuous at least one diode from the. Three phase half controlled converter fig:1 shows the circuit diagram of three phase half controlled converter supplying an r load. The bridge rectifier circuit diagram consists of various stages of devices like a transformer, diode bridge, filtering, and regulators. It consists of an operating amplifier that acts as error amplifier, zener diode used for providing voltage reference. The diodes are numbered in the order of conduction sequences and the conduction angle of each diode is 2/3. A filter capacitor is connected to the dc side of the rectifier. Learn what a bridge rectifier is, the working principle & operation of a bridge wave rectifier, and its circuit diagram. Still, 3.7 khz is not all that high a frequency in the electrical world, and packaged rectifiers targeting 60 hz applications may be quite suitable, as long as an allowance is made for some increased dynamic. Generally, all these blocks combination is called a regulated dc power supply that powers various electronic appliances. In this type of rectifier, it utilizes diodes in the circuitry. As scrs are used as the switching.

Iklan Atas Artikel

Iklan Tengah Artikel 1

Iklan Tengah Artikel 2

Iklan Bawah Artikel