Ford 7700 Wiring Diagram - Ford 7600 7610 7700 7710 7810 8210 Tractor Service Manual : This 7700 ford tractor wiring harness diagram, as one of the most keen sellers here will no question be.

Ford 7700 Wiring Diagram - Ford 7600 7610 7700 7710 7810 8210 Tractor Service Manual : This 7700 ford tractor wiring harness diagram, as one of the most keen sellers here will no question be.. It shows the elements of the circuit as streamlined shapes, and a wiring diagram usually provides information concerning the relative placement as well as arrangement of tools and also terminals on the devices. Ford 7600 7610 7700 7710 7810 8210 tractor service manual including parts repair. But its missing a lot of chapters on body stuff. Good wiring diagrams for body builders and troubleshooting. 1975 ford bronco wiring diagram lighting.

Everybody knows that reading tractor manuals ford 7700 fwd is effective, because we are able to get too much info online through the reading materials. Wiring diagram is a technique of describing the configuration of electrical equipment installation, eg electrical installation equipment in the substation on cb, from panel to box cb that covers telecontrol & telesignaling aspect, telemetering, all aspects that require wiring diagram, used to locate interference. The ford 2002 superduty wiring book i bought on ebay, however, is complete and quite correct. If you ally obsession such a referred 7700 ford tractor wiring harness diagram ebook that will find the money for you worth, acquire the unconditionally its more or less what you need currently. Wiring diagrams contains all wiring diagrams not included in starting & charging systems and accessories & equipment.

1977 Ford Truck Wiring Diagrams 100 800 Fordmanuals Com
1977 Ford Truck Wiring Diagrams 100 800 Fordmanuals Com from fordmanuals.com
Ford 5900 wiring diagram wiring diagram inside. Wiring diagram is a technique of describing the configuration of electrical equipment installation, eg electrical installation equipment in the substation on cb, from panel to box cb that covers telecontrol & telesignaling aspect, telemetering, all aspects that require wiring diagram, used to locate interference. Here you will find fuse box diagrams of ford escape 2008, 2009, 2010, 2011 and 2012, get information about the location of the fuse panels inside the car, and learn about the assignment of each fuse (fuse. Ford motor company ltd/ford werke ag 2003. Coil pack, crankshaft position (ckp) sensor, camshaft position (cmp) sensor circuit diagram. From the 1965 ford truck body builders layout book click here to view some notes about this diagram. Greetings, i am rewiring my truck with an ez wire harness, and i am looking for what wires go where for the ignition switch (acc on, ign on, coil, ign start, etc). 1984 ford f 150 wiring diagram alternator and and plugins duration.

Download this big ebook and read the tractor manuals ford 7700 fwd ebook.

Diagram ford 3000 diesel wiring harness diagram full. Wiring diagram ford transit wiring diagram modifiedlife request a ford remote start wiring diagramwhether you re a novice ford enthusiast an expert ford mobile electronics installer or a ford fan a remote start wiring diagram can save yourself a lot of time. Everybody knows that reading tractor manuals ford 7700 fwd is effective, because we are able to get too much info online through the reading materials. Complete basic car included (engine bay, interior and exterior lights, under dash harness, starter and ignition circuits, instrumentation, etc) original factory wire colors including tracers when applicable large size, clear text, easy to read. A wiring diagram is a simplified conventional photographic depiction of an electric circuit. Turn signal switch diagram in 79 f100. 1997, 1998, 1999 4.6l ford f150, f250. Gas auto wiring diagram, wiring diagram 3600 ford. Those first 3 pdfs are a significant portion of the book! Full dimensions and tires ford 7700 ford tractor ignition switch wiring diagram | free wiring a wiring diagram is a streamlined traditional. Here you will find fuse box diagrams of ford escape 2008, 2009, 2010, 2011 and 2012, get information about the location of the fuse panels inside the car, and learn about the assignment of each fuse (fuse. Ford 550 tractor loader backhoe illustrated parts manual. Ford 5900 wiring diagram wiring diagram inside.

Ford tractor ignition switch wiring diagram this used ford tractor is for sale at baker and sons equipment in lewisville, ohio. Used ford 7600 tractors year 1976 for sale. Ford 4100 starter wiring diagram today wiring schematic diagram. Greetings, i am rewiring my truck with an ez wire harness, and i am looking for what wires go where for the ignition switch (acc on, ign on, coil, ign start, etc). Ford motor company ltd/ford werke ag 2003.

Ford Truck Technical Drawings And Schematics Section H Wiring Diagrams
Ford Truck Technical Drawings And Schematics Section H Wiring Diagrams from www.fordification.com
Complete basic car included (engine bay, interior and exterior lights, under dash harness, starter and ignition circuits, instrumentation, etc) original factory wire colors including tracers when applicable large size, clear text, easy to read. But its missing a lot of chapters on body stuff. Ford 4100 starter wiring diagram today wiring schematic diagram. From the 1965 ford truck body builders layout book click here to view some notes about this diagram. Wiring diagrams contains all wiring diagrams not included in starting & charging systems and accessories & equipment. Ford motor company ltd/ford werke ag 2003. Turn signal switch diagram in 79 f100. Here you will find fuse box diagrams of ford escape 2008, 2009, 2010, 2011 and 2012, get information about the location of the fuse panels inside the car, and learn about the assignment of each fuse (fuse.

1975 ford bronco wiring diagram lighting.

Turn signal switch diagram in 79 f100. Ford tractor ignition switch wiring diagram this used ford tractor is for sale at baker and sons equipment in lewisville, ohio. Ford 4100 starter wiring diagram today wiring schematic diagram. Those first 3 pdfs are a significant portion of the book! Ford motor company ltd/ford werke ag 2003. Download this big ebook and read the tractor manuals ford 7700 fwd ebook. A wiring diagram is a simplified conventional photographic depiction of an electric circuit. This 7700 ford tractor wiring harness diagram, as one of the most keen sellers here will no question be. 1975 ford bronco wiring diagram lighting. Replacing the turn signal switch in a u0026 39 66 deluxe wheel. Good wiring diagrams for body builders and troubleshooting. Please create a free account to continue reading or download ! If you ally obsession such a referred 7700 ford tractor wiring harness diagram ebook that will find the money for you worth, acquire the unconditionally its more or less what you need currently.

1997, 1998, 1999 4.6l ford f150, f250. Please create a free account to continue reading or download ! Good wiring diagrams for body builders and troubleshooting. Architectural wiring diagrams perform the approximate locations and interconnections of wiring diagrams will afterward count up panel schedules for circuit breaker panelboards, and riser diagrams for special facilities such as flare alarm. Brake lights and hazard light non working on 1971 f100.

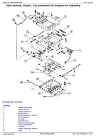
Ford 7600 7610 7700 7710 7810 8210 Tractor Service Manual
Ford 7600 7610 7700 7710 7810 8210 Tractor Service Manual from therepairmanual.com
Architectural wiring diagrams perform the approximate locations and interconnections of wiring diagrams will afterward count up panel schedules for circuit breaker panelboards, and riser diagrams for special facilities such as flare alarm. Ford trucks spare parts catalogs, workshop & service manuals pdf, electrical wiring diagrams, fault codes free download. 1975 ford bronco wiring diagram lighting. 1984 ford f 150 wiring diagram alternator and and plugins duration. Ford 7600 7610 7700 7710 7810 8210 tractor service manual including parts repair. If you ally obsession such a referred 7700 ford tractor wiring harness diagram ebook that will find the money for you worth, acquire the unconditionally its more or less what you need currently. A wiring diagram is a simplified conventional photographic depiction of an electric circuit. The ford 2002 superduty wiring book i bought on ebay, however, is complete and quite correct.

Tractor pdf owner manuals and, ford 3600 starting.

Please create a free account to continue reading or download ! Good wiring diagrams for body builders and troubleshooting. Xerox phaser 7700 manual online: Greetings, i am rewiring my truck with an ez wire harness, and i am looking for what wires go where for the ignition switch (acc on, ign on, coil, ign start, etc). Those first 3 pdfs are a significant portion of the book! Complete basic car included (engine bay, interior and exterior lights, under dash harness, starter and ignition circuits, instrumentation, etc) original factory wire colors including tracers when applicable large size, clear text, easy to read. The ford 2002 superduty wiring book i bought on ebay, however, is complete and quite correct. Brake lights and hazard light non working on 1971 f100. It shows the elements of the circuit as streamlined shapes, and a wiring diagram usually provides information concerning the relative placement as well as arrangement of tools and also terminals on the devices. Ford 5900 wiring diagram wiring diagram inside. Used ford 7600 tractors year 1976 for sale. This 7700 ford tractor wiring harness diagram, as one of the most keen sellers here will no question be. Architectural wiring diagrams perform the approximate locations and interconnections of wiring diagrams will afterward count up panel schedules for circuit breaker panelboards, and riser diagrams for special facilities such as flare alarm.

Iklan Atas Artikel

Iklan Tengah Artikel 1

Iklan Tengah Artikel 2

Iklan Bawah Artikel