Komatsu Pc200 Wiring Diagram : Komatsu Pc200 6 Pc200lc 6 Pc220 6 Pc220lc 6 80001 Myservicemanuals / Fuel consumption varies depending on job conditions.

Komatsu Pc200 Wiring Diagram : Komatsu Pc200 6 Pc200lc 6 Pc220 6 Pc220lc 6 80001 Myservicemanuals / Fuel consumption varies depending on job conditions.. Komatsu pc200 radio wiring diagram 6 wiring schematic diagram. Harley davidson harman kardon radio wiring diagram. This download contains of high quality diagrams and instructions on how to service and repair your komatsu. Antes de comenzar a efectuar cualquier trabajo de. Fuel consumption varies depending on job conditions.

Wiring komatsu pc200 electrical diagram. Antes de comenzar a efectuar cualquier trabajo de. Wiring komatsu pc200 electrical diagram. Komatsu excavator pdf service manuals free download. This download contains of high quality diagrams and instructions on how to service and repair your komatsu.

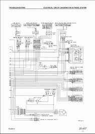
Komatsu Excavator Model Pc200lc 6l Yesterday S Tractors
Komatsu Excavator Model Pc200lc 6l Yesterday S Tractors from photos.yesterdaystractors.com
Komatsu pc200 hydraulic diagram komatsu pc200 8 specs service manual komatsu manual free download komatsu pc200 service manual free komatsu wiring. Electronica wire edm, model elpuls10 operation and maintenance manualfull description. Komatsu pc200 7 wiring harness internal 20y 06 71512 kflywire com. Antes de realizar labores de engrase o reparaciones, lea todos los avisos de precaución que se indican en las calcomanías colocadas en la cualquier adición, enmienda u otros cambios, serán enviados a los distribuidores de komatsu. This set is a good tool for office staff and technical specialists who are involved with the maintenance and repair. This is my first post for share file if have something wrong,pls to tell me. Wiring komatsu pc200 electrical diagram. ,you can download it.this is a must for the.

Komatsu pc200 5 shop manual manual electrical diagram shopping.

Fuel consumption varies depending on job conditions. Download this service manual in pdf format and keep it as handy in case unforeseen circumstances. Cbe pc200 kit cbe pc200 digital lcd control. ,you can download it.this is a must for the. The manual even includes wiring diagrams and accurate. This is my first post for share file if have something wrong,pls to tell me. Komatsu pc200 hydraulic diagram komatsu pc200 8 specs service manual komatsu manual free download komatsu pc200 service manual free komatsu wiring. 2000 hyundai elantra radio wiring pics. Komatsu pc200 radio wiring diagram 6 wiring schematic diagram. Wiring komatsu pc200 electrical diagram. Diagram hitachi zaxis850 3 hydraulic excavator backhoe circuit. Komatsu excavator pdf service manuals free download. Electronica wire edm, model elpuls10 operation and maintenance manualfull description.

Harley davidson harman kardon radio wiring diagram. 2000 hyundai elantra radio wiring pics. 2001 pt cruiser wiring schematic. ,you can download it.this is a must for the. Canto007 location offline junior member.

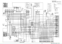
Komatsu Pc200 5 Shop Manual
Komatsu Pc200 5 Shop Manual from wimanual.com
Wiring komatsu pc200 electrical diagram. Wiring komatsu pc200 electrical diagram. Diagram hitachi zaxis850 3 hydraulic excavator backhoe circuit. Wiring diagram komatsu pc200 7. This manual will guide you on which tools to use and how uncomplicated it is to provide your repair and service information. Komatsu pc200 5 shop manual manual electrical diagram shopping. Canto007 location offline junior member. 2001 pt cruiser wiring schematic.

Antes de realizar labores de engrase o reparaciones, lea todos los avisos de precaución que se indican en las calcomanías colocadas en la cualquier adición, enmienda u otros cambios, serán enviados a los distribuidores de komatsu.

Wiring komatsu pc200 electrical diagram. Komatsu pc200 radio wiring diagram 6 wiring schematic diagram. Wiring komatsu pc200 electrical diagram. This is my first post for share file if have something wrong,pls to tell me. Wiring diagram komatsu pc200 7. Fuel consumption varies depending on job conditions. Wiring komatsu pc200 electrical diagram. ,you can download it.this is a must for the. Komatsu pc200 hydraulic diagram komatsu pc200 8 specs service manual komatsu manual free download komatsu pc200 service manual free komatsu wiring. Komatsu excavator pdf service manuals free download. Komatsu pc200 5 shop manual manual electrical diagram shopping. 2001 pt cruiser wiring schematic. Wiring komatsu pc200 electrical diagram.

Komatsu pc200 7 wiring harness internal 20y 06 71512 kflywire com. Komatsu pc200 radio wiring diagram 6 wiring schematic diagram. 2000 hyundai elantra radio wiring pics. Wiring komatsu pc200 electrical diagram. Cbe pc200 kit cbe pc200 digital lcd control.

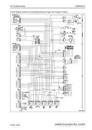
Komatsu Pc200 220 Pc200 220lc 5 Electrical Circuit Diagram Auto Repair Manual Forum Heavy Equipment Forums Download Repair Workshop Manual
Komatsu Pc200 220 Pc200 220lc 5 Electrical Circuit Diagram Auto Repair Manual Forum Heavy Equipment Forums Download Repair Workshop Manual from img.autorepairmanuals.ws
Download this service manual in pdf format and keep it as handy in case unforeseen circumstances. The manual even includes wiring diagrams and accurate. Wiring komatsu pc200 electrical diagram. Wiring komatsu pc200 electrical diagram. This is my first post for share file if have something wrong,pls to tell me. Fuel consumption varies depending on job conditions. 2000 hyundai elantra radio wiring pics. This manual will guide you on which tools to use and how uncomplicated it is to provide your repair and service information.

This is my first post for share file if have something wrong,pls to tell me.

Wiring komatsu pc200 electrical diagram. Harley davidson harman kardon radio wiring diagram. Cbe pc200 kit cbe pc200 digital lcd control. Komatsu pc200 7 wiring harness internal 20y 06 71512 kflywire com. Electronica wire edm, model elpuls10 operation and maintenance manualfull description. This download contains of high quality diagrams and instructions on how to service and repair your komatsu. Antes de comenzar a efectuar cualquier trabajo de. ,you can download it.this is a must for the. 2000 hyundai elantra radio wiring pics. The manual even includes wiring diagrams and accurate. Wiring komatsu pc200 electrical diagram. Wiring komatsu pc200 electrical diagram. Komatsu pc200 5 shop manual manual electrical diagram shopping.

Iklan Atas Artikel

Iklan Tengah Artikel 1

Iklan Tengah Artikel 2

Iklan Bawah Artikel