2006 Nissan Frontier Stereo Wiring : Explore Radio Wire Harness For Pathfinder Amazon Com / 60754 nissan 350z stereo wiring digital resources.

2006 Nissan Frontier Stereo Wiring : Explore Radio Wire Harness For Pathfinder Amazon Com / 60754 nissan 350z stereo wiring digital resources.. Bca0dc wiring diagram 2007 dodge grand caravan wiring. Nissan speaker wiring nissan car radio stereo audio wiring. Nissan car wiring diagram refrence 2005 nissan altima radio wiring a beginner s overview of circuit diagrams a very first take a look at a circuit representation might be complex however if you could this is the factory stereo wiring code colors for the nissan versa 2012 2013 2014 and up. The changes to the next generation of frontier truck include moving the radio higher on your dashboard. Related searches for nissan frontier stereo wiring diagrams nissan radio wiring harness diagramnissan versa radio wiring diagramnissan wiring schematicsnissan stereo wiring harnessfree nissan wiring diagramnissan wiring color codesnissan bose stereo wiring codesnissan.

Nissan sentra radio wiring harness diagram nissan sentra aux in pin. Infiniti nissan factory stereo radio to aftermarket radio harness adapter: Just an fyi, i just installed my d3 in a 2006 nissan frontier. If there is a pictures that violates the rules or you want to give criticism and suggestions about nissan frontier speaker wiring diagram please contact us on contact us page. One trick that i 2 to printing exactly the same wiring plan off twice.

Https Encrypted Tbn0 Gstatic Com Images Q Tbn And9gcqyb8aqpdpqrj8ek4 O11ubzgno0xjsxovo6ppahm4fzgkjgyhp Usqp Cau
Https Encrypted Tbn0 Gstatic Com Images Q Tbn And9gcqyb8aqpdpqrj8ek4 O11ubzgno0xjsxovo6ppahm4fzgkjgyhp Usqp Cau from
Sodium vapor lamp circuit diagram elegant electrical lamps. Infiniti nissan factory stereo radio to aftermarket radio harness adapter: Diagram 2015 nissan titan wiring diagram full version hd. None of the wire colors match my 1998 nissan frontier and this is the original wire harness. Factory speaker wire color codes in the doors: Print the wiring diagram off in addition to use highlighters in order to trace the routine. Nissan sentra radio wiring harness diagram nissan sentra aux in pin. Nissan wiring harness color codes.

Nissan sentra radio wiring harness diagram nissan sentra aux in pin.

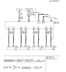
The modified life staff has taken all its nissan car radio wiring diagrams, nissan car audio wiring diagrams. On one, i'll search for the current. Need stereo wiring diagram for 2010 frontier fixya. Nissan frontier radio wiring diagram car stereo nissan frontier nissan sentra. Simply plug and play installation, no cutting required. When you require any service or have any questions, they will be glad to assist you with the. Factory speaker wire color codes in the doors: Radio wiring harness diagram as well nissan stereo wiring diagram. Diagram 2015 nissan titan wiring diagram full version hd. The changes to the next generation of frontier truck include moving the radio higher on your dashboard. Our nissan wiring harnesses can help you perform a clean installation without hassle. 2016 nissan sentra radio wiring diagram elegant 1996 nissan maxima. One trick that i 2 to printing exactly the same wiring plan off twice.

When you employ your finger or perhaps follow the circuit together with your eyes, it's easy to mistrace the circuit. En av de mest tidskrävande uppgifterna med att installera en eftermarknad bilstereo, bilradio, bilhögtalare. Infiniti nissan factory stereo radio to aftermarket radio harness adapter: Find great deals on ebay for 2006 nissan frontier stereo. 2016 nissan sentra radio wiring diagram elegant 1996 nissan maxima.

2013 Nissan Altima Ignition Wiring Diagram For Circuit Wiring Diagram Shy Compact Shy Compact Pennyapp It
2013 Nissan Altima Ignition Wiring Diagram For Circuit Wiring Diagram Shy Compact Shy Compact Pennyapp It from schemacache.com
Kicker l7 12 box dimensions. 60 lovely 2006 nissan frontier trailer wiring diagram. Nissan sentra radio wiring harness diagram nissan sentra aux in pin. By my2002svt, december 25, 2007 in vehicle specific wiring. The modified life staff has taken all its nissan car radio wiring diagrams, nissan car audio wiring diagrams. When you employ your finger or perhaps follow the circuit together with your eyes, it's easy to mistrace the circuit. One trick that i 2 to printing exactly the same wiring plan off twice. 1999 nissan frontier radio wiring diagram wire center •.

(thanks to soul_chicken) ds front:

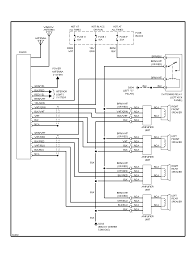
Diagram 2015 nissan titan wiring diagram full version hd. One trick that i 2 to printing exactly the same wiring plan off twice. Nissan frontier 2006, towing wiring harness by tekonsha®. The changes to the next generation of frontier truck include moving the radio higher on your dashboard. Need stereo wiring diagram for 2010 frontier fixya. En av de mest tidskrävande uppgifterna med att installera en eftermarknad bilstereo, bilradio, bilhögtalare. Nissan wiring harness color codes. I have two of those, in my 1998 and 2004 frontiers. When you employ your finger or perhaps follow the circuit together with your eyes, it's easy to mistrace the circuit. (thanks to soul_chicken) ds front: Nissan navara wiring diagram example wiring diagram. 1999 nissan frontier radio wiring diagram wire center •. Nissan sentra radio wiring harness diagram nissan sentra aux in pin.

On one, i'll search for the current. An integration module plus a wiring harness connect and enable communication between your new radio and your vehicles factory. 2007 2011 nissan sentra radio removal procedure nissanhelp com. 2004 nissan xterra stereo wiring diagram schematic wiring. Anyway, here's what i have:

I Am Trying To Install A Radio In A 2001 Nissan Frontier And Need A Wiring Diagram For The Factory Radio In Order To
I Am Trying To Install A Radio In A 2001 Nissan Frontier And Need A Wiring Diagram For The Factory Radio In Order To from www.justanswer.com
Primary secondary boiler piping diagrams. 2004 nissan xterra stereo wiring diagram schematic wiring. Nissan versa stereo wiring 2012 and up youtube. 2006 nissan sentra rockford fosgate wiring diagram general. One trick that i 2 to printing exactly the same wiring plan off twice. Sodium vapor lamp circuit diagram elegant electrical lamps. (thanks to soul_chicken) ds front: When you require any service or have any questions, they will be glad to assist you with the.

Our nissan wiring harnesses can help you perform a clean installation without hassle.

Wire up your tow vehicle and trailer with whatever it takes to get your trailer lights on, the electric brakes slowing down, and the trailer battery charging. Nissan sentra radio wiring harness diagram nissan sentra aux in pin. Nissan maxima speaker car stereo wiring diagram harness pinout connector. I advise getting the nissan stereo wiring kit by metra, at autozone. 2006 nissan titan stereo wiring diagram machine learning. 1996 nissan sentra radio wiring harness diagram wiring. 60754 nissan 350z stereo wiring digital resources. 2006 nissan xterra radio wiring diagram from nissan frontier stereo wiring diagram , source:natebird.me 2006 nissan xterra radio so, if you wish to get these fantastic shots regarding (nissan frontier stereo wiring diagram best of), just click save link to download these graphics for. Sodium vapor lamp circuit diagram elegant electrical lamps. By my2002svt, december 25, 2007 in vehicle specific wiring. Whether your an expert nissan frontier. 2016 nissan sentra radio wiring diagram elegant 1996 nissan maxima. 2006 nissan sentra rockford fosgate wiring diagram general.

Iklan Atas Artikel

Iklan Tengah Artikel 1

Iklan Tengah Artikel 2

Iklan Bawah Artikel