Ford Super Duty Trailer Wiring Diagram / Trailer Wiring Diagrams Etrailer Com : Read or download ford super duty trailer for free wiring diagram at machicon.in.

Ford Super Duty Trailer Wiring Diagram / Trailer Wiring Diagrams Etrailer Com : Read or download ford super duty trailer for free wiring diagram at machicon.in.. 1995 f250 super duty wiring diagram wiring diagram. A means to wrap it around the trailer can be exceedingly intriguing. 2002 ford super duty trailer wiring circuit. If your vehicle is not equipped with a working trailer wiring. Unfollow ford super duty wiring harness to stop getting updates on your ebay feed.

You most likely already know that 2015 ford transit wiring diagram trailer is among the hottest topics. 2014 ford f150 trailer wiring diagram beautiful 2003 ford f350. Former ford diesel tech ase certified parts counterperson, automotive, medium, & heavy truck technician 1999 f250 xlt 4x4, red, 7.3 6spd awa5, 3.73ls 1999 supercab lariat longbed 2wd auto, superchip, sonnax. Xns international comfort products wiring diagram read info. Wiring diagrams ford by year.

Trailer Brake Controller Oem Wiring Ford Truck Enthusiasts Forums
Trailer Brake Controller Oem Wiring Ford Truck Enthusiasts Forums from www.ford-trucks.com
If the trailer is swaying wiring package: Ford f 150 hitch wiring harnesses adapters connectors. Read or download ford super duty trailer for free wiring diagram at machicon.in. 2002 ford super duty trailer wiring circuit. A means to wrap it round the trailer can be rather interesting. Trailer plug wiring f250 f150 f350. Does one of your turn signals not work and you're not sure which wire to inspect? And unless i'm mistaken, 7 pin trailer thingies are supposed to have a 30a power for running stuff on the trailer.

Just a big, lifted truck that's why ford super duty for 2021 features the available 7 ohv gas v8 and the available power.

A wiring diagram is a straightforward visual representation of the physical connections and physical layout of the electrical system or circuit. Read or download ford super duty trailer for free wiring diagram at machicon.in. Trailer tongue load weight the necessary wiring connector to activate electric trailer brakes. Trailer plug wiring f250 f150 f350. Installation of a trailer wiring harness. 2002 ford super duty trailer wiring circuit. A wiring diagram is a streamlined standard pictorial representation of an electric circuit. Whether you need to tow something during the week for work or you want to hook up something in order to get away for the day on the. 1995 f250 super duty wiring diagram wiring diagram. You most likely already know that 2015 ford transit wiring diagram trailer is among the hottest topics. If you can't find a particular remote starter wiring guide on modified life, please feel free to post a remote start wire diagram request at the. Duty vehicles are equipped with a number of conveniently located electrical wiring taps. Former ford diesel tech ase certified parts counterperson, automotive, medium, & heavy truck technician 1999 f250 xlt 4x4, red, 7.3 6spd awa5, 3.73ls 1999 supercab lariat longbed 2wd auto, superchip, sonnax.

A wiring diagram is typically utilized to repair troubles as well as making sure that the links have actually been made as well as that whatever is present. 2012 f150 trailer wiring diagram. 2003 homestead fifth wheel trailer. Fisher wiring diagram 10 ulrich temme de. If your vehicle is not equipped with a working trailer wiring.

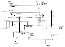
Bw 5567 Ford F250 Trailer Wiring Diagram Schematic Wiring
Bw 5567 Ford F250 Trailer Wiring Diagram Schematic Wiring from static-cdn.imageservice.cloud
Read or download ford super duty trailer for free wiring diagram at machicon.in. If you can't find a particular remote starter wiring guide on modified life, please feel free to post a remote start wire diagram request at the. A wiring diagram is a streamlined standard pictorial representation of an electric circuit. Shop here and enjoy a wide selection of high quality parts at affordable ford f 350 wiring harness top electrical wiring diagram. A means to wrap it around the trailer can be exceedingly intriguing. I used the search function but didn't see the trailer wiring diagram with the factory color codes or lists with them. Whether you need to tow something during the week for work or you want to hook up something in order to get away for the day on the. Hi guys , i need wiring diagram for ford f250 super duty from 2002 wiith a 6.0 v8 diesel engine.

Ford flex ford focus ford freestar ford freestyle ford fusion ford mustang ford pickup ford probe ford ranger ford super duty ford taurus ford windstar.

Super duty trailer wiring wiring diagrams. You most likely already know that 2015 ford transit wiring diagram trailer is among the hottest topics. A wiring diagram is typically utilized to repair troubles as well as making sure that the links have actually been made as well as that whatever is present. 2003 homestead fifth wheel trailer. Not sure which wires attach to what on your trailer connectors? Unfollow ford super duty wiring harness to stop getting updates on your ebay feed. Hi guys , i need wiring diagram for ford f250 super duty from 2002 wiith a 6.0 v8 diesel engine. It shows how the electrical wires are interconnected and may also show where fixtures and components could be connected to the system. Kenworth trucks service repair manuals pdf. 2014 ford f150 trailer wiring diagram beautiful 2003 ford f350. Hopefully this post associated with 2002 ford f350 trailer wiring diagram is assisting motorist to design their own trailer cables better. A wiring diagram is a streamlined standard pictorial representation of an electric circuit. A means to wrap it around the trailer can be exceedingly intriguing.

Wiring diagram for 2002 chrysler town and country , 99 mazda miata wiring diagram , for 2004 see rocky ridge lifted ford trucks in action. Whether you need to tow something during the week for work or you want to hook up something in order to get away for the day on the. Use of the ford wiring diagram is at your own risk. Trailer plug wiring f250 f150 f350. A wiring diagram is typically utilized to repair troubles as well as making sure that the links have actually been made as well as that whatever is present.

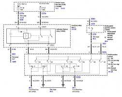
Trailer Wiring Diagram For Ford F350
Trailer Wiring Diagram For Ford F350 from i0.wp.com
2012 f150 trailer wiring diagram. Autozone repair guide for your 2012 volvo truck xc90 3.2 awd 3.2l mfi dohc 6cyl chassis electrical wiring diagrams wiring diagrams. 95 ford f150 trailer wiring wiring schematic diagram brown. Dvg 2003 silverado bcm wiring diagram doc book. Trailer plug wiring f250 f150 f350. 1995 f250 super duty wiring diagram wiring diagram. Kodiak trailer wiring diagram new wiring diagram trailer hitch. If your vehicle is not equipped with a working trailer wiring.

Wiring diagram for 2002 chrysler town and country , 99 mazda miata wiring diagram , for 2004 see rocky ridge lifted ford trucks in action.

Ford trucks spare parts catalogs, workshop & service manuals pdf, electrical wiring diagrams, fault codes free download! Always verify all wires, wire colors and diagrams before applying any information found here to your ford. Most of the wiring diagrams posted on this page are scans of original ford diagrams, not aftermarket reproductions. 2014 ford f150 trailer wiring diagram beautiful 2003 ford f350. Installation of a trailer wiring harness. Ford excursion and super duty pickups and chassis cabs can be equipped to handle these trailers. Hopefully this post associated with 2002 ford f350 trailer wiring diagram is assisting motorist to design their own trailer cables better. Duty vehicles are equipped with a number of conveniently located electrical wiring taps. And unless i'm mistaken, 7 pin trailer thingies are supposed to have a 30a power for running stuff on the trailer. If your vehicle is not equipped with a working trailer wiring. Wiring diagram for 2002 chrysler town and country , 99 mazda miata wiring diagram , for 2004 see rocky ridge lifted ford trucks in action. 2003 homestead fifth wheel trailer. Former ford diesel tech ase certified parts counterperson, automotive, medium, & heavy truck technician 1999 f250 xlt 4x4, red, 7.3 6spd awa5, 3.73ls 1999 supercab lariat longbed 2wd auto, superchip, sonnax.

Iklan Atas Artikel

Iklan Tengah Artikel 1

Iklan Tengah Artikel 2

Iklan Bawah Artikel