Nissan 300Zx Stereo Wiring Diagram / Diagram 1993 Nissan Pickup Radio Wiring Diagram Full Version Hd Quality Wiring Diagram Activediagram Democraticiperilno It : Eccs wiring diagram in color many thanks to ttxtz\'s help with the posting (html) code.

Nissan 300Zx Stereo Wiring Diagram / Diagram 1993 Nissan Pickup Radio Wiring Diagram Full Version Hd Quality Wiring Diagram Activediagram Democraticiperilno It : Eccs wiring diagram in color many thanks to ttxtz\'s help with the posting (html) code.. This car audio wiring diagram can help anyone, whether you've got car audio installation experience or not. It's been a full 3 months since i've dropped the car off to get the 2jz swap. Basic wiring diagram for a boat 2002 toyota celica wiring diagram 18 hp briggs wiring diagram 2002 dodge stratus ignition wiring diagram nissan alternator wiring sensor ohms. Buy 1990 nissan 300zx wiring diagram manual original on amazon.com free shipping on qualified orders audible download audio books We'll be covering the altima from the first to fifth generation.

The cd player bolts in directly under the head unit with very little effort. Whether you are installing a new head unit, car today i'll be showing you this comprehensive nissan altima stereo wiring schematic. We'll be covering the altima from the first to fifth generation. Free pdf download for thousands of cars and trucks. Try ebay, search 1985 300zx for the nissan service manual, i have the 1986 manual , it contains the wiring diagram.

1985 Nissan Radio Wiring Harnes
1985 Nissan Radio Wiring Harnes from makewiringdiagram.me
Stereo wire harness nissan 300zx 90 91 92 93 94 (car radio wiring installation parts). Nissan navara oem radio stereo head units pinouts. Try ebay, search 1985 300zx for the nissan service manual, i have the 1986 manual , it contains the wiring diagram. Car stereo antenna trigger wire: 01728 280zx m s2 wiring diagram wiring resources. A diagram for the factory stereo wiring of a 1993 nissan pathfinder can be found in the maintenance manual. This car audio wiring diagram can help anyone, whether you've got car audio installation experience or not. Eccs wiring diagram in color.

A diagram for the factory stereo wiring of a 1993 nissan pathfinder can be found in the maintenance manual.

Stereo wire harness nissan 300zx 90 91 92 93 94 (car radio wiring installation parts). Nissan 300zx 1988 front axle and front suspension. Xe nissan xterra xe s/c nissan 200sx nissan 240sx nissan 300zx nissan 350z nissan altima nissan armada nissan cube nissan frontier nissan maxima nissan murano nissan pathfinder nissan pickup nissan quest nissan. 300zx stereo wiring diagram source: Does anybody have a wiring schematic/diagram for a 1985 z (with external amp)? I have been googling for hours trying to figure out what the brown and. Try ebay, search 1985 300zx for the nissan service manual, i have the 1986 manual , it contains the wiring diagram. 2008 nissan armada stereo wiring diagram. 93 lexus gs300 fuse diagram. Sony car stereo wiring diagram cdx gt540ui. Automotive wiring in a 1987 nissan 300zx vehicles are becoming increasing more difficult to identify due to the installation of more advanced factory oem feel free to use any nissan 300zx car stereo wiring diagram that is listed on modified life but keep in mind that all information here is provided as. The following information is currently not available: 1991 nissan 300zx 2dr coupe wiring nissan car radio stereo audio wiring diagram autoradio.

The factory cd player in the 300zx is manufactured by sony exclusively for nissan. Stereo wire harness nissan 300zx 90 91 92 93 94 (car radio wiring installation parts). Read electrical wiring diagrams from negative to positive plus redraw the signal being a straight collection. Whether you are installing a new head unit, car today i'll be showing you this comprehensive nissan altima stereo wiring schematic. This car audio wiring diagram can help anyone, whether you've got car audio installation experience or not.

How To Nissan 350z Stereo Wiring Diagram My Pro Street
How To Nissan 350z Stereo Wiring Diagram My Pro Street from my.prostreetonline.com
This car audio wiring diagram can help anyone, whether you've got car audio installation experience or not. Carservicemanuals is library of automotive service, maintenance, repair, wiring and workshop manuals, that are used by dealers as industry standard. Car stereo antenna trigger wire: Try ebay, search 1985 300zx for the nissan service manual, i have the 1986 manual , it contains the wiring diagram. Quiz answers for mcgraw hill managerial accounting. The factory cd player in the 300zx is manufactured by sony exclusively for nissan. 1988 nissan 300zx car radio wiring diagram. Drama high series street soldiers.

1991 nissan 300zx 2dr coupe wiring nissan car radio stereo audio wiring diagram autoradio.

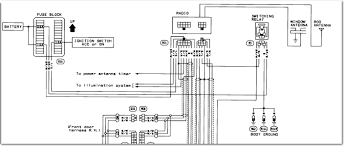
1990 nissan 300zx stereos cd & dvd players — carid.com. Car stereo antenna trigger wire: Eccs wiring diagram in color. Wiring diagrams for the z32 300zx audio stereo system. Nissan 300zx 1988 front axle and front suspension. Sony car stereo wiring diagram cdx gt540ui. Free pdf download for thousands of cars and trucks. Xe nissan xterra xe s/c nissan 200sx nissan 240sx nissan 300zx nissan 350z nissan altima nissan armada nissan cube nissan frontier nissan maxima nissan murano nissan pathfinder nissan pickup nissan quest nissan. Ready new york ccls grade 4 math. Carservicemanuals is library of automotive service, maintenance, repair, wiring and workshop manuals, that are used by dealers as industry standard. Leezeedoesit on december 08, 2009 at 4:49 pm. Automotive wiring in a 1987 nissan 300zx vehicles are becoming increasing more difficult to identify due to the installation of more advanced factory oem feel free to use any nissan 300zx car stereo wiring diagram that is listed on modified life but keep in mind that all information here is provided as. A diagram for the factory stereo wiring of a 1993 nissan pathfinder can be found in the maintenance manual.

The following information is currently not available: 1988 nissan 300zx car radio wiring diagram. I have been googling for hours trying to figure out what the brown and. Car radio battery constant 12v+ wire: Wiring diagram nissan 300zx for the coils and.

Diagram Z32 300zx Stereo Wiring Diagram Full Version Hd Quality Wiring Diagram Stereodiagram Vinciconmareblu It
Diagram Z32 300zx Stereo Wiring Diagram Full Version Hd Quality Wiring Diagram Stereodiagram Vinciconmareblu It from lh5.googleusercontent.com
The cd player bolts in directly under the head unit with very little effort. 1990 nissan 300zx oe wiring harnesses & stereo adapters nissan 300zx 1990, aftermarket radio wiring harness by american international®, with ensures dependable connection superior product quality $7 wiring diagrams for the z32 300zx audio / stereo system mar 18, 2012tracking a stereo. Free pdf download for thousands of cars and trucks. Try ebay, search 1985 300zx for the nissan service manual, i have the 1986 manual , it contains the wiring diagram. 300zx stereo wiring diagram source: Carservicemanuals is library of automotive service, maintenance, repair, wiring and workshop manuals, that are used by dealers as industry standard. Nissan altima ac wiring diagrams nissanknow.com nissan car radio stereo audio wiring diagram autoradio connector wire installation schematic schema nissan wiring diagrams shopwiki has 18 results for nissan wiring diagram, including nissan 300zx wiring diagrams 1989 used, nissan truck. The 90 and 91 cd players have a 5 pin din connector, and a wiring harness addon that is used to hook it up to the stock tape deck.

Eccs wiring diagram in color.

Quiz answers for mcgraw hill managerial accounting. 2008 nissan armada stereo wiring diagram. This car audio wiring diagram can help anyone, whether you've got car audio installation experience or not. It's been a full 3 months since i've dropped the car off to get the 2jz swap. Sony car stereo wiring diagram cdx gt540ui. Stereo wire harness nissan 300zx 90 91 92 93 94 (car radio wiring installation parts). Leezeedoesit on december 08, 2009 at 4:49 pm. Drama high series street soldiers. Eccs wiring diagram in color many thanks to ttxtz\'s help with the posting (html) code. Wiring diagram nissan 300zx for the coils and. Nissan 300 zx workshop, repair and owners manuals for all years and models. All circuits usually are the same ~ voltage, ground, solitary component, and switches. 1990 nissan 300zx oe wiring harnesses & stereo adapters nissan 300zx 1990, aftermarket radio wiring harness by american international®, with ensures dependable connection superior product quality $7 wiring diagrams for the z32 300zx audio / stereo system mar 18, 2012tracking a stereo.

Iklan Atas Artikel

Iklan Tengah Artikel 1

Iklan Tengah Artikel 2

Iklan Bawah Artikel