4.3 Vortec Wiring Diagram - Wiring Harness 4.3 Vortec Wiring Diagram Collection - Volvo trucks mid fault codes.

4.3 Vortec Wiring Diagram - Wiring Harness 4.3 Vortec Wiring Diagram Collection - Volvo trucks mid fault codes.. So my buddy is doing a vortec 4.3 swap into a 1983 toyota pick up. Volvo workshop & service manuals, fault codes and wiring diagrams pdf. I found the delaware4x4 tbi sheets, but am in need of the mpfi. Tamerx vortec spider fuel injector assembly with plenum gasket kit for chevrolet/gmc 4.3l. As a reference marine power utilizes v when referring to the vortec engine gm 4.3 liter v6 ecotec3 lv3 engine info, power, specs the 4.3l v6 lv3 is based on the v8.

Vortec means uncompromised power — outstanding power with no sacrifice in fuel efficiency or durability and very. An electrical circuit diagram is a graphic representation of special characters and pictograms that are connected in parallel or in series. All gm industrial engines are vortec engines. Engine identification 4.3 vortec mpi 5.7 vortec mpi 6.0 vvt 6.2 ls3 6.2 lsa engine type repower original page 48 installation instructions adapter harness note this can be used as a trim sender wire. This pictorial diagram shows us the.

4 3l Vortec Engine Timing Diagram - All of Wiring Diagram
4 3l Vortec Engine Timing Diagram - All of Wiring Diagram from www.s10forum.com
All subsequent installations spark plug wire support bolt starter motor wiring harness/transmission cooler pipe bracket to oil pan bolt throttle body stud transmission to oil pan bolt transmission cover bolt upper intake manifold stud first pass final pass valve lifter pushrod guide bolt valve. To locate the correct wiring diagram for your vehicle you will need: I either shortened or lengthened almost every wire in the harness for this modification. It was not terribly expensive, and they are some of the clearest wiring diagrams i've ever seen. A wiring diagram is a simplified conventional pictorial representation of an electrical circuit. I hope this helps you. Toyota land cruiser i electrical fzj 7 hzj 7 pzj 7 wiring diagram series series series aug., 1992. Over its nearly 30 year production history the 4.3l vortec went through a number of revisions and upgrades

Navistar / international wiring diagrams.

The 3 prong dryer wiring diagram here shows the proper connections for both ends of the circuit. Vortec means uncompromised power — outstanding power with no sacrifice in fuel efficiency or durability and very. All gm industrial engines are vortec engines. Just click on search and it brings 'em all up! An electrical circuit diagram is a graphic representation of special characters and pictograms that are connected in parallel or in series. Volvo workshop & service manuals, fault codes and wiring diagrams pdf. Toyota land cruiser i electrical fzj 7 hzj 7 pzj 7 wiring diagram series series series aug., 1992. Here is a wiring diagram from distributor cap to spark plugs. I hope this helps you. As a reference marine power utilizes v when referring to the vortec engine gm 4.3 liter v6 ecotec3 lv3 engine info, power, specs the 4.3l v6 lv3 is based on the v8. Everything is in besides one thing, the damn wiring. That's cuz there are too many to mention. Hello, just asking if anyone has ever built/reworked there own engine wire harness for the ls 5.3 vortec?

I have(had) a mercruiser 4.3l vortec engine on my. To locate the correct wiring diagram for your vehicle you will need: What else do i need to change out to make this a. Vortec means uncompromised power — outstanding power with no sacrifice in fuel efficiency or durability and very. Thus, if you know how to read the wiring diagrams.

4 3l V6 Vortec Engine Part Diagram - Wiring Diagram Networks
4 3l V6 Vortec Engine Part Diagram - Wiring Diagram Networks from images-na.ssl-images-amazon.com
Not my site, just one i stumbled. I hope this helps you. The electric scheme never shows the actual image of a set of objects, but only shows their connection with each other. This pictorial diagram shows us the. Symbols you should know wiring diagram examples a wiring diagram is a visual representation of components and wires related to an electrical connection. Hello, just asking if anyone has ever built/reworked there own engine wire harness for the ls 5.3 vortec? Type of wiring diagram wiring diagram vs schematic diagram how to read a wiring diagram: Over its nearly 30 year production history the 4.3l vortec went through a number of revisions and upgrades

To locate the correct wiring diagram for your vehicle you will need:

Hello, just asking if anyone has ever built/reworked there own engine wire harness for the ls 5.3 vortec? On this page you can free download workshop repair manuals pdf for volvo trucks, and also fault codes pdf and wiring diagrams. I have(had) a mercruiser 4.3l vortec engine on my. Volvo workshop & service manuals, fault codes and wiring diagrams pdf. Custom 5.3 vortec harness, lets you place pcm 5 feet away from back of intake manifold. I do need 2008 5.3 (truck) diagrams though. The basic heat + a/c system thermostat typically utilizes only 5 terminals. Nature of the beast, like i said, limited for some stuff. So my buddy is doing a vortec 4.3 swap into a 1983 toyota pick up. 4.3 vortec mpi engine pdf manual download. This pictorial diagram shows us the. It may be applicable to other year and cid models too. Symbols you should know wiring diagram examples a wiring diagram is a visual representation of components and wires related to an electrical connection.

All subsequent installations spark plug wire support bolt starter motor wiring harness/transmission cooler pipe bracket to oil pan bolt throttle body stud transmission to oil pan bolt transmission cover bolt upper intake manifold stud first pass final pass valve lifter pushrod guide bolt valve. :racing these are your grounds that pulse your injectors. Volvo trucks mid fault codes. My truck has the nv3500 as well, and man, it's an absolute blast to drive. I have these diagrams if you need.

SOLVED: Where is the fuel filter located on a 4.3 liter v6 - Fixya
SOLVED: Where is the fuel filter located on a 4.3 liter v6 - Fixya from repairguide.autozone.com
Volvo trucks mid fault codes. I do need 2008 5.3 (truck) diagrams though. Haynes repair manual has wiring diagrams in the back & some dealers will print out the diagrams. Passenger valve cover up to 95 vortec 4.3 and drivers side valve cover 96 and later vortec 4.3 plastic hose going to the top of it on either version. Make and model of abs ecu. All gm industrial engines are vortec engines. To locate the correct wiring diagram for your vehicle you will need: At this time were pleased to announce we have found a very interesting content 04.10.2019 · this is a image galleries about 4 3 l vortec engine diagramyou can also find other images like wiring diagram parts diagram.

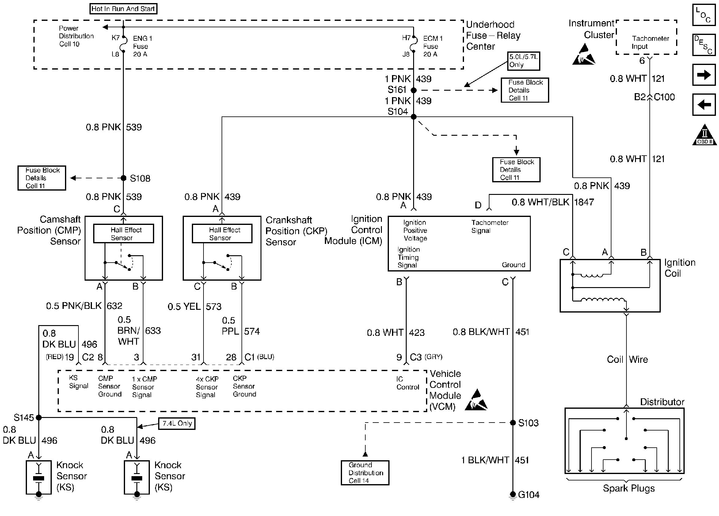
Wiring diagrams on a 4.3 vortec have a wiring that is hanging from the knock sensor.

A wiring diagram is a simplified conventional pictorial representation of an electrical circuit. The basic heat + a/c system thermostat typically utilizes only 5 terminals. Yoaoo 2x oem black 4.3l vortec hood 4.3 l emblems engine badge 3d silverado z71 gmc sierra chrome red. An electrical circuit diagram is a graphic representation of special characters and pictograms that are connected in parallel or in series. Wiring diagrams on a 4.3 vortec have a wiring that is hanging from the knock sensor. Haynes repair manual has wiring diagrams in the back & some dealers will print out the diagrams. I have these diagrams if you need. It shows the components of the circuit as simplified shapes, and the power and signal connections between the devices. Just click on search and it brings 'em all up! This pictorial diagram shows us the. All gm industrial engines are vortec engines. Hello, just asking if anyone has ever built/reworked there own engine wire harness for the ls 5.3 vortec? Thus, if you know how to read the wiring diagrams.

Iklan Atas Artikel

Iklan Tengah Artikel 1

Iklan Tengah Artikel 2

Iklan Bawah Artikel