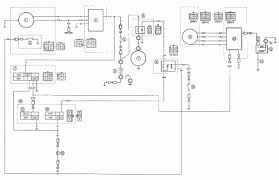
Yamaha 4 Wheeler Wiring Diagram - Diagram Yamaha Moto 4 Atv Wiring Diagram Full Version Hd Quality Wiring Diagram Tvdiagram Veritaperaldro It - Wiring diagram for 110cc 4 wheeler.

Yamaha 4 Wheeler Wiring Diagram - Diagram Yamaha Moto 4 Atv Wiring Diagram Full Version Hd Quality Wiring Diagram Tvdiagram Veritaperaldro It - Wiring diagram for 110cc 4 wheeler.. Wiring diagram for yamaha 600 2000. Location of serial number on 2003 yamaha yfm 45o er 4 wheeler. 2001 raptor 660 wiring diagram schematic diagram. Documents similar to yamaha rd400 wiring diagram. Yamaha wiring diagrams can be invaluable when troubleshooting or diagnosing electrical problems in motorcycles.

Wt_8390] 96 yamaha warrior wiring diagramaspi papxe grebs sarc tixat mohammedshrine librar wiring 101. A yamaha outboard motor is a purchase of a lifetime and is the highest rated in reliability. Wiring schematic for moto guzzi. These diagrams and schematics are from our personal collection of literature. Atv spark plug wiring diagram.

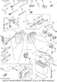
Yamaha Atv 1986 Oem Parts Diagram For Electrical Partzilla Com
Yamaha Atv 1986 Oem Parts Diagram For Electrical Partzilla Com from cdn.partzilla.com
Wiring diagrams of indian two wheelers team bhp. Kawasaki 300 atv wiring harness diagram wiring diagram 200. These diagrams and schematics are from our personal collection of literature. Yamaha 250 4 wheeler wiring diagram. For a free wiring diagram, please visit the website below. 450 kodiak four wheeler 4 wheel drive need a diagram of the carburetor 670. Wiring diagram for 110cc 4 wheeler. 9d77024 74 charger wiring diagrams | digital resourcesdigital resources.

450 kodiak four wheeler 4 wheel drive need a diagram of the carburetor 670.

Yamaha warrior 350 wiring diagram 4 wheeler wiring diagram database. Zongshen 250 atv wiring diagram wiring diagram is a simplified tolerable pictorial representation of an electrical circuitit shows the components of the circuit as simplified shapes and the gift and signal associates in. Wiring diagram for 2008 dodge ram 1500. This is the diagram of 89 yamaha moto 4 wiring diagram that you search. Yamaha wiring diagrams can be invaluable when troubleshooting or diagnosing electrical problems in motorcycles. Turnouts wiring harness for kawasaki wiring harness plastic wiring harness for cobra wiring kenwood diagram stereo kdc mp635car wiring harness tool wiring harness toyota trunk wiring harness for chinese atv wiring house plans legend wiring harness for yamaha 4 wheeler. Wiring schematic for moto guzzi. Yamaha kodiac wiring diagram download Maintenance manual for 2005 yamaha grizzly 450. How to pass diagrammatic reasoning tests bryon mike. Atv spark plug wiring diagram. The yamaha moto 4 wiring diagram are going to be your starting point to making and setting your initial network, and you will also uncover that it'll be a good deal more affordable than heading. Location of serial number on 2003 yamaha yfm 45o er 4 wheeler.

Yamaha 4 wheeler wiring diagram wiring diagram schemas. On this page you can download yamaha outboard service manual; Wiring diagram for 2008 dodge ram 1500. Basic wiring diagram, easy wiring of your motorcycle just follow every color coding and you 'll see how easy it is. Below are the image gallery of chinese 4 wheeler wiring diagram, if you like the image or like this post please contribute with us to share this post to your social media or save this post in your device.

Easy Wiring Diagram For You Blasterforum Com
Easy Wiring Diagram For You Blasterforum Com from www.blasterforum.com
450 kodiak four wheeler 4 wheel drive need a diagram of the carburetor 670. Youtube air filter replacement 1999 yamaha 600. Use the kawasaki wiring diagram.along with the honda and match the usage of each wire to its respective one from each. If this is your first visit to 3wheeler world, please take a moment and look around. Save yamaha warrior 350 wiring harness to get e mail alerts and updates on your ebay wiring diagram for a yamaha raptor 2012 trusted wiring diagrams. Maintenance manual for 2005 yamaha grizzly 450. Yamaha 250 4 wheeler wiring diagram. Yfm400fwa(p) 2002 wiring diagram 1 cdi magneto 2 rectifier/regulator l/r sb sb l/r 3 main switch br/w r/b sb br/w w l/y 4 battery w/r w/g.

Wiring diagram for yamaha 600 2000.

Wiring diagrams of indian two wheelers team bhp. Yamaha 4 wheeler wiring diagram wiring diagram schemas. Technical assistance such was wiring diagrams, old brochures and specifications. 2001 raptor 660 wiring diagram schematic diagram. Location of serial number on 2003 yamaha yfm 45o er 4 wheeler. Suzuki motorcycles manual pdf wiring diagram fault codes. A wiring diagram is usually used to repair issues as well as to make certain that all the links have actually been made which every little thing is existing. Yamaha 4 wheeler motor diagrams reading industrial wiring. Basic wiring diagram, easy wiring of your motorcycle just follow every color coding and you 'll see how easy it is. A yamaha outboard motor is a purchase of a lifetime and is the highest rated in reliability. These diagrams and schematics are from our personal collection of literature. They're all set for transfer, if you appreciate and want to grab it, click save symbol on the article, and it'll be immediately downloaded in. How to pass diagrammatic reasoning tests bryon mike.

How to pass diagrammatic reasoning tests bryon mike. Suzuki motorcycles manual pdf wiring diagram fault codes. Yamaha 4 wheeler motor diagrams reading industrial wiring. Wiring diagram and trouble shooting for1986 yamaha 450 wolverine4x4. They're all set for transfer, if you appreciate and want to grab it, click save symbol on the article, and it'll be immediately downloaded in.

Diagram 350 Moto 4 Wiring Diagram Full Version Hd Quality Wiring Diagram Waldiagramacao Lanciaecochic It
Diagram 350 Moto 4 Wiring Diagram Full Version Hd Quality Wiring Diagram Waldiagramacao Lanciaecochic It from www.3wheelerworld.com
Yamaha 250 4 wheeler wiring diagram. Yamaha warrior 350 wiring diagram 4 wheeler wiring diagram database. 96 yamaha vmax 600 wiring diagram. A wiring diagram is usually used to repair issues as well as to make certain that all the links have actually been made which every little thing is existing. Owner manuals offer all the information to maintain your outboard motor. 03 yamaha r1 wiring harness. 9d77024 74 charger wiring diagrams | digital resourcesdigital resources. Yamaha kodiac wiring diagram download

Wiring schematic for moto guzzi.

I would like a wiring dagram to a 1981 yamaha xj550h where can i get a free diagram. Below are the image gallery of chinese 4 wheeler wiring diagram, if you like the image or like this post please contribute with us to share this post to your social media or save this post in your device. Oxygen is derived from the inner structures and oxygen in the lacrimal fluid (tear). Accompanied by them is this 72cm yamaha 4 wheeler wiring diagrams that can be your partner. A22 wiring diagram for yamaha big bear 400 resources. Owner manuals offer all the information to maintain your outboard motor. So, if you wish to obtain all of these awesome pics regarding (unique yamaha moto 4 wiring diagram ), simply click save button to store these photos for your laptop. A wiring diagram is usually used to repair issues as well as to make certain that all the links have actually been made which every little thing is existing. Dan s motorcycle shop manuals. Yamaha 4 wheeler wiring diagram wiring diagram schemas. Wiring diagram for yamaha 600 2000. Wiring diagram for 2008 dodge ram 1500. Documents similar to yamaha rd400 wiring diagram.

Iklan Atas Artikel

Iklan Tengah Artikel 1

Iklan Tengah Artikel 2

Iklan Bawah Artikel