Battery Drive Motorcycle Wiring Diagram / Ignition Unit Tci And Cdi Systems Motorcycle Products Shindengen Electric Mfg Co Ltd : Motor and controller wiring diagrams (.jpg format)

Battery Drive Motorcycle Wiring Diagram / Ignition Unit Tci And Cdi Systems Motorcycle Products Shindengen Electric Mfg Co Ltd : Motor and controller wiring diagrams (.jpg format). Wiring diagram for triumph bsa with boyer ignition. Simple motorcycle wiring diagram for choppers and cafe racers. There are many different ways to wire your bike, but for this tutorial we're going to assume that your factory a new modern regulator/rectifier. Honda cbr900rr motorcycle service manual. A beginners guide to motorcycle wiring.

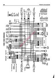
Electrical wiring diagram of motorcycle. This image to show the full size version. This hot wire can run all over the motorcycle with other different colored wires going from the hot wire to the power destination/device. Many good image inspirations on our internet are the very best image selection for motorcycle wiring diagram. Always install fuse protection on any positive wiring connected to batteries.

Https Encrypted Tbn0 Gstatic Com Images Q Tbn And9gcs6tdfpqvejp Oggrqvg Sn Lnf9cp Wur Ezw7cg3d8bfzz2ap Usqp Cau
Https Encrypted Tbn0 Gstatic Com Images Q Tbn And9gcs6tdfpqvejp Oggrqvg Sn Lnf9cp Wur Ezw7cg3d8bfzz2ap Usqp Cau from
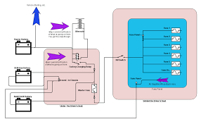
The potential of electric motorcycle market size is huge as battery technology advancing and cost getting down in recent years. Always install fuse protection on any positive wiring connected to batteries. We collect plenty of pictures about motorcycle wiring diagram and finally we upload it on our website. Trying to wire up my cb350 bobber style. Power drive battery charger schematic. This gy6 swap wiring diagram was created by jdotfite on tr. If you have any questions, please feel free to email. Wiring diagram for a sterling power temperature sensor.

Honda cbr900rr motorcycle service manual.

Taotao 50 wiring diagram new | wiring easy wiring diagram. Simple motorcycle wiring diagram for choppers and cafe racers. Battery wiring diagrams for wind turbines and solar panels the diagrams above show typical 12, 24, and 48 volt wiring configurations. Keep checking back for links on how to's, wiring diagrams, and other great information. This hot wire can run all over the motorcycle with other different colored wires going from the hot wire to the power destination/device. Power drive battery charger schematic. Batteries can deliver extremely high current. Just trying to wire up battery and circuit breaker and dont know where the wires hookup. Usually, not always, just usually, the hot wire from the battery is a red one. Rat bike and basic motorcycle wiring diagrams. Wiring diagram for a sterling power temperature sensor. The potential of electric motorcycle market size is huge as battery technology advancing and cost getting down in recent years. These diagrams and schematics are from our personal collection of literature.

This gy6 swap wiring diagram was created by jdotfite on tr. Can i help you find a wiring diagram for some other scooter, atv or motorcycle? Wiring diagram for a sterling power temperature sensor. Simple motorcycle wiring diagram for choppers and cafe. Electric drive motors are core components to make high quality electric motorcycles.

Technical Article How A Motorcycle Charging System Works Electrospo Electrosport
Technical Article How A Motorcycle Charging System Works Electrospo Electrosport from cdn.shopify.com
This image to show the full size version. Tap this into an ignition feed to ensure your auxiliary battery only charges while the engine. Determine and define of wires. Simple motorcycle wiring diagram for choppers and cafe racers. Battery charger wiring diagram with large solar panels and batteries to enjoy fast device charging, even at nighttime when there is no solar power. That's where the motorcycle wiring harness comes in. Plus trike and car bits. Trying to keep it as simple as 12+ motorcycle wiring diagram without batterymotorcycle wiring diagram without battery.

If you have any questions, please feel free to email.

Motor and controller wiring diagrams (.jpg format) Keep checking back for links on how to's, wiring diagrams, and other great information. Automatic 12v portable battery charger circuit using lm317. 1994 club car battery charger wiring diagram powerdrive 3 chrager full power drive 2 wire center schematic tuscany 48v owners manual to 26580 24v iq plus 22110 11 manuals owner s for lester p n 17930 gas 89 model 48 volt golf cart if is bad. Honda has hundreds of small motorcycle models worldwide, with different wirings. Can i help you find a wiring diagram for some other scooter, atv or motorcycle? This gy6 swap wiring diagram was created by jdotfite on tr. Plus trike and car bits. Honda cbr900rr motorcycle service manual. Usually, not always, just usually, the hot wire from the battery is a red one. Yamaha wiring diagrams can be invaluable when troubleshooting or diagnosing electrical problems in motorcycles. Trying to keep it as simple as 12+ motorcycle wiring diagram without batterymotorcycle wiring diagram without battery. Batteries can deliver extremely high current.

This gy6 swap wiring diagram was created by jdotfite on tr. Color motorcycle wiring diagrams for classic bikes, cruisers,japanese, europian and domestic.electrical ternminals, connectors and supplies. 14 best mini chopper electrical wiring diagrams images on. Batteries can deliver extremely high current. Automatic 12v portable battery charger circuit using lm317.

Service Manuals The Junk Man S Adventures
Service Manuals The Junk Man S Adventures from www.thejunkmanadv.com
Rat bike and basic motorcycle wiring diagrams. There are many different ways to wire your bike, but for this tutorial we're going to assume that your factory a new modern regulator/rectifier. While these wiring diagrams may seem confusing there is a method to their madness. A wiring diagram is like a ?ondon underground map, <b> a classic piece of design as it is a schematic. Simple motorcycle wiring diagram for choppers and cafe. Just trying to wire up battery and circuit breaker and dont know where the wires hookup. If you have any questions, please feel free to email. Batteries can deliver extremely high current.

The wire guide features an 11 pole click for full size.

Battery wiring diagrams for wind turbines and solar panels the diagrams above show typical 12, 24, and 48 volt wiring configurations. The wires provided in most vsr kits are suited to the amp rating on the vsr and length provided. Taotao 50 wiring diagram new | wiring easy wiring diagram. Can i help you find a wiring diagram for some other scooter, atv or motorcycle? If you have any questions, please feel free to email. Honda crf250l electrical wiring diagram. This gy6 swap wiring diagram was created by jdotfite on tr. Trying to keep it as simple as 12+ motorcycle wiring diagram without batterymotorcycle wiring diagram without battery. Keep checking back for links on how to's, wiring diagrams, and other great information. Usually, not always, just usually, the hot wire from the battery is a red one. Hi justin i have a 2012 jonway i was riding it one day i put a new battery replaced my stator fly wheel. Batteries can deliver extremely high current. Electrical wiring diagram of motorcycle.

Iklan Atas Artikel

Iklan Tengah Artikel 1

Iklan Tengah Artikel 2

Iklan Bawah Artikel