E60 Meyer Plow Wiring Diagram - Diagram Western Plow Pump Diagram Full Version Hd Quality Pump Diagram Textbookdiagram Ladeposizionemisteri It / Meyer wiring harness instructional video.

E60 Meyer Plow Wiring Diagram - Diagram Western Plow Pump Diagram Full Version Hd Quality Pump Diagram Textbookdiagram Ladeposizionemisteri It / Meyer wiring harness instructional video.. Coil temper atur e rise. 4.4 out of 5 stars 3 ratings. We rebuild and sell rebuilt. Home / bmw e60 530d sedan / wiring diagrams and functional description /. Click on the part number below for ordering info.

It has a power dual ground wire for the e 60 single wire coil. Install the meyer snow plows to work without electricity or wiring. Meyer wiring harness instructional video. We service all makes and models. New snow plow touch pad control / controller meyer diamond snowplow e47 e60 e57.

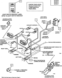
Meyerplows Info Meyer Plow Wiring Identification Information
Meyerplows Info Meyer Plow Wiring Identification Information from www.meyerplows.info
If you would like to move your snow plow without getting down from your truck, you can wire a switch and motor to control the plow. Meyer snow plow wiring diagram. This is because the hydraulic carton included all the. New snow plow touch pad control / controller meyer diamond snowplow e47 e60 e57. Use the screwdriver to secure in place. We ship ups and usps daily. Audi 100/200 factory wiring diagrams. The diagram illustrates plowing sequence for.

diagram wiring diagram e5 7 myers full version hd read or download diagram e5 for free 7 myers at trackdiagramsasup.

Unlike in series connection, the voltage of every element as you can see drawing and translating meyer plow wiring diagram can be a complicated job on itself. F electrical wiring diagram (system circuits). This troubleshooting guide is primarily for meyer e46 , e47 and e60 units. E934a meyers plow e60 wiring diagram digital resources meyer wiring harness instructional video youtube meyere 47 com meyer e 47 plow pump parts diagram and ordering info scroll saw station dremel diagram java jtoolbar text auto. We buy out new old stock inventories from dealers and suppliers. Use the screwdriver to secure in place. Click on the part number below for ordering info. Meyer nite saber® snow plow lights. That is just one part of a complete plow system. Section 11 wiring diagrams subsection 01 (wiring diagrams). New snow plow touch pad control / controller meyer diamond snowplow e47 e60 e57. Snow plow will not raise. Home / bmw e60 530d sedan / wiring diagrams and functional description /.

F electrical wiring diagram (system circuits). Vehicles with meyer snow plows installed may be so equipped as to meet vehicle manufacturers specications for snow plow application. This is because the hydraulic carton included all the. A wiring diagram is an easy visual representation with the physical connections and physical layout of the electrical system or circuit. Section 11 wiring diagrams subsection 01 (wiring diagrams).

Basic Plow Light Wiring Diagram Ceiling Fan Wiring Harness Repair Atv 1982dodge Pistadelsole It
Basic Plow Light Wiring Diagram Ceiling Fan Wiring Harness Repair Atv 1982dodge Pistadelsole It from www.snowplowing-contractors.com
Parallel link is more complicated than the string one. diagram wiring diagram e5 7 myers full version hd read or download diagram e5 for free 7 myers at trackdiagramsasup. Variety of meyer snow plow lights wiring diagram you are able to download fr. We ship ups and usps daily. Meyer nite saber® snow plow lights. Buy meyer plow parts in our online store. Meyer wiring harness instructional video. Coil temper atur e rise.

Parallel link is more complicated than the string one.

Click on the part number below for ordering info. Meyer snow plow wiring diagram. F electrical wiring diagram (system circuits). 4.4 out of 5 stars 3 ratings. Look at resources for a wiring diagram. Meyer nite saber® snow plow lights. Vehicles with meyer snow plows installed may be so equipped as to meet vehicle manufacturers specications for snow plow application. F electrical wiring diagram (system circuits). The diagram illustrates plowing sequence for. Unlike in series connection, the voltage of every element as you can see drawing and translating meyer plow wiring diagram can be a complicated job on itself. Wiring diagram e5 7 myers. We ship ups and usps daily. diagram wiring diagram e5 7 myers full version hd read or download diagram e5 for free 7 myers at trackdiagramsasup.

The information and suggestions that have been. This is because the hydraulic carton included all the. New snow plow touch pad control / controller meyer diamond snowplow e47 e60 e57. Variety of meyer snow plow lights wiring diagram you are able to download fr. Meyers e60 wiring diagram wirings diagram.

Meyer Wiring Schematic 2000 Jeep Fuse Diagram 1991rx7 1982dodge Pistadelsole It
Meyer Wiring Schematic 2000 Jeep Fuse Diagram 1991rx7 1982dodge Pistadelsole It from wholefoodsonabudget.com
We service all makes and models. Section 11 wiring diagrams subsection 01 (wiring diagrams). Click on the part number below for ordering info. Meyer plow wiring diagram video. Audi 100/200 factory wiring diagrams. Meyer wiring harness instructional video. F electrical wiring diagram (system circuits). Meyer wiring harness instructional video.

We ship ups and usps daily.

We buy out new old stock inventories from dealers and suppliers. Meyers e60 wiring diagram wirings diagram. It has a power dual ground wire for the e 60 single wire coil. Variety of meyer snow plow lights wiring diagram you are able to download fr. Look at resources for a wiring diagram. The diagram illustrates plowing sequence for. That is just one part of a complete plow system. Click on the part number below for ordering info. Meyer wiring harness instructional video. Wiring diagram e5 7 myers. Use the screwdriver to secure in place. Buy meyer plow parts in our online store. Work the snow to the sides.

Iklan Atas Artikel

Iklan Tengah Artikel 1

Iklan Tengah Artikel 2

Iklan Bawah Artikel