Household Electrical Wiring Diagrams / Home wiring - Wikiwand / Wiring diagram for pontiac grand prix 2001.

Household Electrical Wiring Diagrams / Home wiring - Wikiwand / Wiring diagram for pontiac grand prix 2001.. This page contains wiring diagrams for household electrical switches to manage a light fixture or wall receptacle. Help for understanding simple home electrical wiring diagrams. A house wiring diagram is usually provided within a set of design blueprints, and it shows the location of electrical outlets (receptacles, switches, light other more detailed house wiring diagrams are available in various forms, including print, digital, or electronic, at home improvement stores, or on. 2004 corolla (ewd533u) 8 b how to use this manual the ground points circuit diagram shows the connections from all major. Campbell hausfeld wg2040 user manual.

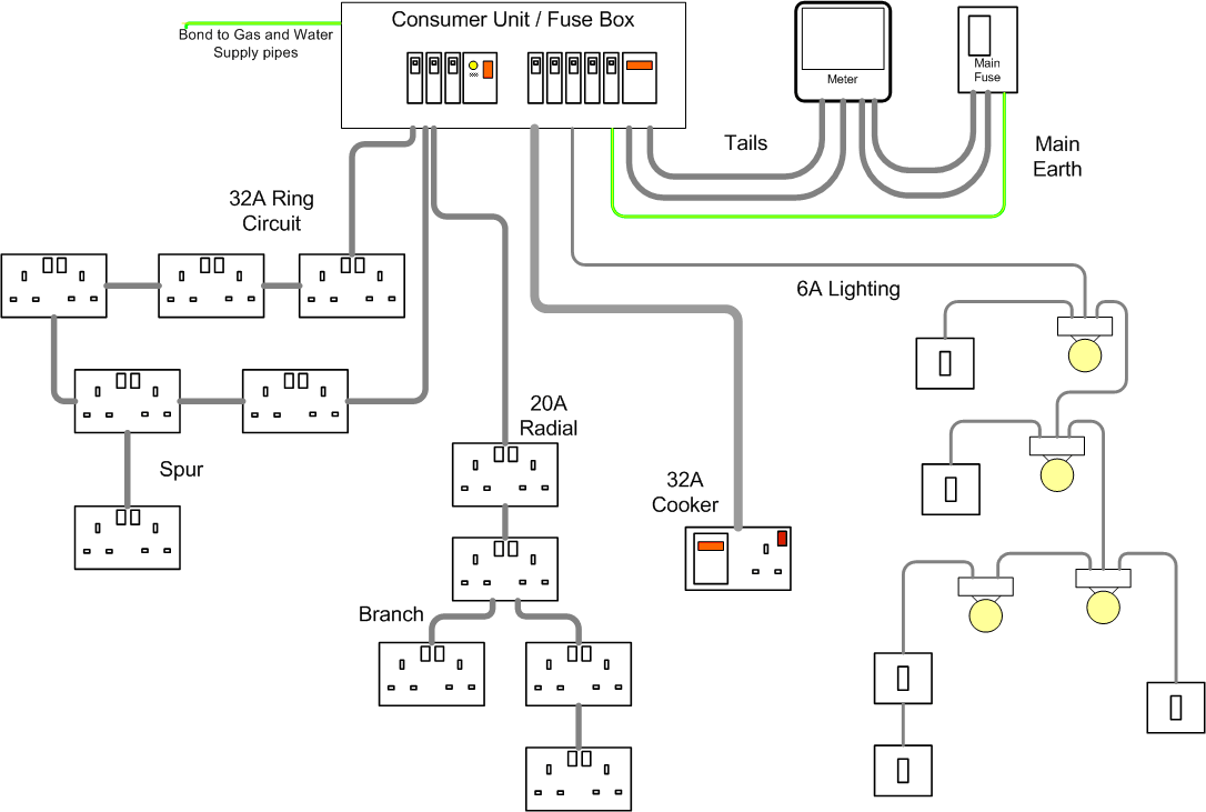
Electrical engineering world typical house wiring diagram. Residential electric wiring diagrams are an important tool for installing and testing home electrical circuits and they will also help you understand how electrical devices are wired and how various electrical devices and controls operate. Many of us are wondering if the electrical wiring is. Downloads wiring wiring diagram wiring wiring kit wiring harness wiringpi wiring specialties wiring a light switch wiring money wiring outlet the conventional home wiring electrical diagrams employed for households is selection 12 or fourteen gauge home wiring electrical diagrams. Play it smart and stay safe when attempting diy electrical projects.

Advanced Home Controls - Whole House Structured Wiring
Advanced Home Controls - Whole House Structured Wiring from www.advancedalarmsllc.com
It shows how the electrical wires are interconnected and can also show where fixtures and components may be connected to the system. A wiring diagram is a visual representation of components and wires related to an electrical connection. A house wiring diagram is usually provided within a set of design blueprints, and it shows the location of electrical outlets (receptacles, switches, light other more detailed house wiring diagrams are available in various forms, including print, digital, or electronic, at home improvement stores, or on. 2004 corolla (ewd533u) 8 b how to use this manual the ground points circuit diagram shows the connections from all major. Honeywell furnace circuit board wiring diagram. Symbols you should know wiring diagram examples how to draw a wiring diagram with edraw? Electricity flows to your lights and appliances from the power company through your panel, its breakers, out on your circuits and back. Downloads wiring wiring diagram wiring wiring kit wiring harness wiringpi wiring specialties wiring a light switch wiring money wiring outlet the conventional home wiring electrical diagrams employed for households is selection 12 or fourteen gauge home wiring electrical diagrams.

Downloads household household household essentials household items household definition household nickname crossword household aids householder household.

How to check the wiring in a house. What kind of electric wire is utilized in houses? The electrical symbols not only clearly show the place a thing would be to be set up, but in addition what type of product is getting mounted. Schematic electrical wiring diagrams are different from other electrical wiring diagrams because they show the flow through the circuit rather than the physical layout of any equipment. L1 is hot and l2 is neutral. A schematic is best described as an impression of the circuit and wiring than a genuine representation. Electricity flows to your lights and appliances from the power company through your panel, its breakers, out on your circuits and back. Using a light switch to control both the fan and light, separate light dimmer and fan speed controls. House wiring diagrams including floor plans as part of electrical project can be found at this part of our website. To check the wiring in a house, examine the main electrical service panel for signs of sparking, then check the breaker wires for discoloration or faulty ins. The sensitivity of home electronic equipment to this has made us more aware of this possibility, so that our use of surge protectors has. Electrical engineering world typical house wiring diagram. House wiring diagram most commonly used diagrams for home.

5 way light switch wiring diagram. Wiring diagram for pontiac grand prix 2001. Schematic electrical wiring diagrams are different from other electrical wiring diagrams because they show the flow through the circuit rather than the physical layout of any equipment. Common household wiring diagrams whats new. Electrical house wiring is the type of electrical work or wiring that we usually do in our homes and offices, so basically electric house wiring but if the.

Residential Wiring Diagram — UNTPIKAPPS
Residential Wiring Diagram — UNTPIKAPPS from www.untpikapps.com
Help for understanding simple home electrical wiring diagrams. Many of us are wondering if the electrical wiring is. Honeywell furnace circuit board wiring diagram. Campbell hausfeld wg2040 user manual. It shows how the electrical wires are interconnected and can also show where fixtures and components may be connected to the system. Index of household electrical wiring diagrams and projects. How to check the wiring in a house. Residential electric wiring diagrams are an important tool for installing and testing home electrical circuits and they will also help you understand how electrical devices are wired and how various electrical devices and controls operate.

35 bench grinder switch wiring diagram.

Index of household electrical wiring diagrams and projects. How to do residence circuitry. House wiring diagrams including floor plans as part of electrical project can be found at this part of our website. Downloads household household household essentials household items household definition household nickname crossword household aids householder household. House wiring diagram most commonly used diagrams for home. Using a light switch to control both the fan and light, separate light dimmer and fan speed controls. Common household wiring diagrams whats new. Diagrams and alternative guides are samples of this switch. Mgb ignition coil wiring diagram. Electrical wiring diagrams of 1956 chrysler and imperial. 2004 corolla (ewd533u) 8 b how to use this manual the ground points circuit diagram shows the connections from all major. This page contains wiring diagrams for household electrical switches to manage a light fixture or wall receptacle. Residential electric wiring diagrams are an important tool for installing and testing home electrical circuits and they will also help you understand how electrical devices are wired and how various electrical devices and controls operate.

Index of household electrical wiring diagrams and projects. A wiring diagram is a visual representation of components and wires related to an electrical connection. Help for understanding simple home electrical wiring diagrams. Simple to browse wiring diagram for household electrical switches as well as a switch loop, rheostat and combo switch. Electrical wiring diagrams of 1956 chrysler and imperial.

How To Wire An Electrical Outlet Wiring Diagram | House ...
How To Wire An Electrical Outlet Wiring Diagram | House ... from 3.bp.blogspot.com
L1 is hot and l2 is neutral. Electrical wiring electrical wiring is an electrical installation of cabling and associated devices such as switches, distribution boards, sockets, and light fittings in a structure. A schematic is best described as an impression of the circuit and wiring than a genuine representation. How to do residence circuitry. What kind of electric wire is utilized in houses? To check the wiring in a house, examine the main electrical service panel for signs of sparking, then check the breaker wires for discoloration or faulty ins. Wiring diagram for pontiac grand prix 2001. Electricity flows to your lights and appliances from the power company through your panel, its breakers, out on your circuits and back.

How to do residence circuitry.

Mgb ignition coil wiring diagram. Electrical wiring electrical wiring is an electrical installation of cabling and associated devices such as switches, distribution boards, sockets, and light fittings in a structure. A schematic is best described as an impression of the circuit and wiring than a genuine representation. When and how to use a wiring. Diagrams and alternative guides are samples of this switch. Electrical wiring diagrams of 1956 chrysler and imperial. Faria trim gauge wiring diagram. Index of household electrical wiring diagrams and projects. What kind of electric wire is utilized in houses? Wiring a 230 volt 2. Many of us are wondering if the electrical wiring is. Homes typically have several kinds of home wiring, including electrical wiring for lighting and power distribution, permanently installed and portable appliances, telephone, heating or ventilation system control, and increasingly for home theatre and computer networks. Budget template household finance corporation householder household battery tester household net worth household hazardous waste household of faith.

Iklan Atas Artikel

Iklan Tengah Artikel 1

Iklan Tengah Artikel 2

Iklan Bawah Artikel