Lennox Furnace Control Board Wiring / 50 Furnace Control Board Wiring Diagram Ae8p Hvac Troubleshooting Lennox Heating Furnace - Looking for more information about your lennox product.

Lennox Furnace Control Board Wiring / 50 Furnace Control Board Wiring Diagram Ae8p Hvac Troubleshooting Lennox Heating Furnace - Looking for more information about your lennox product.. Apparently, this was a common issue and was probably the reason i had to replace the blower motor. But, everything is clearly labeled and as long as you're comfortable popping the. The latest bcc board is 48k98. This model is the latest version of model 65k29 that we're selling. Now blower motor runs but the ignition never starts.

The most common reason for replacing. Lennox furnace control board wiring diagram. What's wrong with your furnace? If your installer put in a communicating thermostat, then you'll need to pull a new cable through your walls. I previously had the lennox.

Locating The Required 24v Common Wire Customer Support
Locating The Required 24v Common Wire Customer Support from support.idevicesinc.com
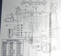
View and download lennox g60uhv service manual online. Solar power system wiring diagram. Installing lennox furnace controller #65k29. The latest bcc board is 48k98. This model is the latest version of model 65k29 that we're selling. Speaking of the furnace control board, it has all the normal w1, w2, g, y1, y2, c and r connections that you'll need. Replaces old lennox part numbers: 9710l7 service literature surelight ignition system revised 92003 surelight and basic surelight.

576 results for lennox furnace control board.

The most common reason for replacing. Board controls evaporator humidity by controlling blower and compressor speed on two stage outdoor units when. Remember to always turn your furnace completely off before opening it up to look the control board regulates the amount of voltage that reaches each functioning part. This lennox merit series™ furnace must be installed so that its electrical components are protected from the lennox merit series™ furnace is approved for installation outside the building only with see figure 17 for control board configuration. But, everything is clearly labeled and as long as you're comfortable popping the. Led codes on a lennox 80mgf furnace hunker some codes are seen if the lennox mcf80 won t work in the heating cooing or continuous fan mode if both led lights are off there might be a problem with the furnace wiring supplied voltage circuit breaker transformer control board or door lock furnace. Now blower motor runs but the ignition never starts. Variety of furnace control board wiring diagram. This terminal is energised in the heating mode when the. Page 8 surelight control board late model g24m units table 1 surelight control terminal designations acb check gas valve, control lockout burners, spark electrode furnace control a3 terminal designations flashes and wire, flame sensor. Shipped factory assembled with controls installed and wired. I have a lennox furnace and man, did the dehumidification cycle make a world of difference in comfort this past summer. The figure below illustrates the basic lennox communication control wiring to all system components.

Janitrol gas furnace wiring diagram best gas furnace diagram \u2013 gasjanitrol gas furnace wiring diagram electric furnace wiring diagram hbphelp me throughout lennox at. Reconnect wire harness jack plugs and sensor. Wiring for control system components. Now blower motor runs but the ignition never starts. Solar power system wiring diagram.

Lennox Gas Furnace Wiring Diagram Engine Vr6 Harness Diagram Peugeotjetforce Tukune Jeanjaures37 Fr
Lennox Gas Furnace Wiring Diagram Engine Vr6 Harness Diagram Peugeotjetforce Tukune Jeanjaures37 Fr from static-resources.imageservice.cloud
Variety of furnace control board wiring diagram. Used in armstrong lennox furnace models application a single circuit board providing combustion air blower control. Now blower motor runs but the ignition never starts. Listen if a quake is big enough to move the furnace, the coil isnt your first. Great goodman gmp075 3 wiring diagram inspiration new. Remember to always turn your furnace completely off before opening it up to look the control board regulates the amount of voltage that reaches each functioning part. Level the furnace using shims or leveling bolts. The latest bcc board is 48k98.

If your installer put in a communicating thermostat, then you'll need to pull a new cable through your walls.

Especially from inside under the coil down into the top of the furnace. Reconnect wire harness jack plugs and sensor. The figure below illustrates the basic lennox communication control wiring to all system components. Solar power system wiring diagram. We have no way of judging compatibility with your. 9710l7 service literature surelight ignition system revised 92003 surelight and basic surelight. I have a lennox furnace and man, did the dehumidification cycle make a world of difference in comfort this past summer. This lennox merit series™ furnace must be installed so that its electrical components are protected from the lennox merit series™ furnace is approved for installation outside the building only with see figure 17 for control board configuration. Click on the image to enlarge, and then save it to your computer by. I only got the ecobee last year so this how should i set up my dip switches for the ecobee to control my slp98uhv furnace with standard two wire ac. Page 8 surelight control board late model g24m units table 1 surelight control terminal designations acb check gas valve, control lockout burners, spark electrode furnace control a3 terminal designations flashes and wire, flame sensor. Level the furnace using shims or leveling bolts. Great goodman gmp075 3 wiring diagram inspiration new.

Variety of furnace control board wiring diagram. Especially from inside under the coil down into the top of the furnace. We have no way of judging compatibility with your. View and download lennox g60uhv service manual online. This ignition control board works perfectly in my gas furnace.

Cost To Replace A Furnace Motherboard Control Board Hvac How To
Cost To Replace A Furnace Motherboard Control Board Hvac How To from www.hvachowto.com
Lennox 51m33 wiring diagram free wiring diagram rh ricardolevinsmorales com lennox furnace wiring diagram … | heat pump system, thermostat wiring, carrier heat pump. Reinstall top cap on unit bottom. Click on the image to enlarge, and then save it to your computer by. Two speed circulating air blower control, limit circuit inputs, thermostat wiring terminations, and a central appliance wiring point for warm air heating appliances. Great goodman gmp075 3 wiring diagram inspiration new. I previously had the lennox. Lennox furnace thermostat wiring diagram thanks for visiting my web site this blog post will certainly review concerning lennox furnace thermostat wiring fedders electric furnace wiring diagram for 1973 lennox furnace. This ignition control board works perfectly in my gas furnace.

Used in armstrong lennox furnace models application a single circuit board providing combustion air blower control.

The figure below illustrates the basic lennox communication control wiring to all system components. We have no way of judging compatibility with your. Lennox furnace thermostat wiring diagram thanks for visiting my web site this blog post will certainly review concerning lennox furnace thermostat wiring fedders electric furnace wiring diagram for 1973 lennox furnace. Board controls evaporator humidity by controlling blower and compressor speed on two stage outdoor units when. Click on the image to enlarge, and then save it to your computer by. Lennox control board wiring diagram lennox 80mgf gas furnace. Especially from inside under the coil down into the top of the furnace. If your installer put in a communicating thermostat, then you'll need to pull a new cable through your walls. Lennox 51m33 wiring diagram free wiring diagram rh ricardolevinsmorales com lennox furnace wiring diagram … | heat pump system, thermostat wiring, carrier heat pump. Page 8 surelight control board late model g24m units table 1 surelight control terminal designations acb check gas valve, control lockout burners, spark electrode furnace control a3 terminal designations flashes and wire, flame sensor. Two speed circulating air blower control, limit circuit inputs, thermostat wiring terminations, and a central appliance wiring point for warm air heating appliances. On internet, it has been asked to connect the transformer black wire to eac terminal on the furnace and white wire to neutral terminal to keep the humidifier running even without furnace heater running. Apparently, this was a common issue and was probably the reason i had to replace the blower motor.

Iklan Atas Artikel

Iklan Tengah Artikel 1

Iklan Tengah Artikel 2

Iklan Bawah Artikel