Rv Trailer Wiring Diagram / Wiring Diagram For Travel Trailer 120V | Trailer Wiring Diagram : White pin to your ground.

Rv Trailer Wiring Diagram / Wiring Diagram For Travel Trailer 120V | Trailer Wiring Diagram : White pin to your ground.. Above we have describes the main types of trailer wiring diagrams. Trailer side car side wiring plug diagram. If you are looking at the inside of the trailer connector where the wires mount to the terminals starting at the top and rotating clockwise: Below is a rv electric wiring diagram or schematic including the converter and inverter for a generic rv. Click on the image to enlarge, and then save it to your computer by right clicking on the image.

White pin to your ground. To connect the electric system of your trailer to the vehicle, you will be using special connector. Collection of travel trailer wiring schematic. The four wires control the turn signals, brake lights and taillights or running lights. Wiring plug diagram created date:

7-Way RV Trailer Connector Wiring Diagram | etrailer.com
7-Way RV Trailer Connector Wiring Diagram | etrailer.com from www.etrailer.com
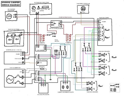
A wiring diagram is a streamlined traditional photographic depiction of an electric circuit. Each part should be set and linked to different parts in particular manner. Water with the trailer wiring still connected to the vehicle. 5:00 is blue and brake controller. The image above shows a single axle trailer, and the next image shows wiring for tandem axles. Wiring plug diagram created date: You must check the trailer manual to see if the wiring is correct, but normally the white wire is called the ground wire, while the brown wire is used for tail lights. Almost all rvs come with a power cord to plug into the electrical pedestal at a campground (developed campgrounds with available hookups, anyway).

Yellow and green are for left and right turns and braking.

Most new vehicles equipped with a tow package have connectors. Below is a rv electric wiring diagram or schematic including the converter and inverter for a generic rv. Go to 17:08 for a wiring guide with diagram. It is often found on newer trucks and suvs that come equipped from the factory with a trailer hitch. 3:00 is green and right turn and brake. Otherwise, the arrangement will not function as it should be. Collection of travel trailer wiring schematic. Each part should be set and linked to different parts in particular manner. Electric trailer jack wiring diagram download. Wiring plug diagram created date: Full parts & tools video with links to buy here. 4 pin trailer wiring diagram 1:00 is black and 12 volt power.

Rv electrical diagram (wiring schematic) understanding you campers electrical wiring can be very confusing. The four wires control the turn signals, brake lights and taillights or running lights. Trailers with electric brakes need them too. It is often found on newer trucks and suvs that come equipped from the factory with a trailer hitch. It reveals the parts of the circuit as streamlined shapes, as well as the power and also signal links in between the gadgets.

Travel Trailer Wiring Schematic | Free Wiring Diagram
Travel Trailer Wiring Schematic | Free Wiring Diagram from ricardolevinsmorales.com
Collection of travel trailer wiring schematic. This automobile is designed not only to travel 1 location to another but also to take heavy loads. This article will be discussing rockwood trailer wiring diagram.which are the benefits of understanding these knowledge? As the name implies, they use four wires to carry out the vital lighting functions. Wiring diagram for stock trailer refrence lovely trailer wiring. It reveals the parts of the circuit as streamlined shapes, as well as the power and also signal links in between the gadgets. 4 pin trailer wiring diagram Trailer side car side wiring plug diagram.

Click on the image to enlarge, and then save it to your computer by right clicking on the image.

Towing connector wiring reference for rv owners. The four wires control the turn signals, brake lights and taillights or running lights. Below is the generic schematic of how the wiring goes. Start by cutting the white wire and attaching it to the trailer frame. Each part should be set and linked to different parts in particular manner. Wiring plug diagram created date: As a professional rv transporter i have seen to many trucks wired with those 2 wires to small and cause a fire from overheating. If not, the arrangement will not function as it ought to be. Below is a rv electric wiring diagram or schematic including the converter and inverter for a generic rv. This automobile is designed not only to travel 1 location to another but also to take heavy loads. If you are looking at the inside of the trailer connector where the wires mount to the terminals starting at the top and rotating clockwise: Standard dot wiring sealed wiring harness right turn ground left turn running lights 12v + brakes auxiliary (not used) yellow white green brown wire brown) 7 way rv (blade) plug trailer side c34/wedge w/ sealed wiring harness yellow white green yellow white white green green brown yellow white green yellow white green brown red Trailers with electric brakes need them too.

Water with the trailer wiring still connected to the vehicle. Trailer side car side wiring plug diagram. Towing connector wiring reference for rv owners. Only the (blue) brake and (white) ground wires are different. Wiring plug diagram created date:

Travel Trailer Wiring Schematic | Free Wiring Diagram
Travel Trailer Wiring Schematic | Free Wiring Diagram from ricardolevinsmorales.com
Rv electrical diagram (wiring schematic) understanding you campers electrical wiring can be very confusing. Above we have describes the main types of trailer wiring diagrams. Below is a rv electric wiring diagram or schematic including the converter and inverter for a generic rv. Only the (blue) brake and (white) ground wires are different. Use the rv electrical diagram we made below to get an understanding of what powers what and to learn how an rv electrical system works. A wiring diagram is a streamlined traditional photographic depiction of an electric circuit. An rv battery bank is made up of at least one 12v deep cycle (or 2 6v batteries). Below is the generic schematic of how the wiring goes.

If you are looking at the inside of the trailer connector where the wires mount to the terminals starting at the top and rotating clockwise:

Almost all rvs come with a power cord to plug into the electrical pedestal at a campground (developed campgrounds with available hookups, anyway). Deep cycle batteries are sized in amp hours or ah. An rv battery bank is made up of at least one 12v deep cycle (or 2 6v batteries). This forest river travel trailer wiring diagram version is more acceptable for sophisticated trailers and rvs. Yellow and green are for left and right turns and braking. Start by cutting the white wire and attaching it to the trailer frame. With this kind of an illustrative guide, you are going to be able to troubleshoot, stop, and complete your projects easily. Each component ought to be set and connected with different parts in particular manner. Only the (blue) brake and (white) ground wires are different. 7 way plug wiring diagram standard wiring* post purpose wire color tm park light green (+) battery feed black rt right turn/brake light brown lt left turn/brake light red s trailer electric brakes blue gd ground white a accessory yellow this is the most common (standard) wiring scheme for rv plugs and the one used by major auto manufacturers today. Different types of batteries perform in different ways so 100ah of one type of battery is not equal to 100ah of a different type. Go to 17:08 for a wiring guide with diagram. This is also known as a shore power connection.

Iklan Atas Artikel

Iklan Tengah Artikel 1

Iklan Tengah Artikel 2

Iklan Bawah Artikel