Wiring Diagram Triumph Tr3A / 1974 Triumph Tr6 Wiring Diagram Wiring Diagram Schemas - Tom o'malley has spent many hours redesigning wiring schematics for maximum.

Wiring Diagram Triumph Tr3A / 1974 Triumph Tr6 Wiring Diagram Wiring Diagram Schemas - Tom o'malley has spent many hours redesigning wiring schematics for maximum.. Alternator question page 2 tr6 tech forum triumph. Triumph tr250 tr6 wiring diagrams. If you haven't guessed, the haynes manual's wiring diagram is very wrong especially for us 1500's. Does anyone have a very clear picture of the diagram for a 2001 triumph tt600? Triumph had released the svelte new tr4, but sales were initially disappointing, particularly in the usa.

Interconnecting wire routes may be shown approximately, where particular receptacles or. Automotive electrical circuits and wiring. Wiring diagram for overdrive unit. I stop/tail lamp 2 flasher lamp 3 no. This manual comes under the category motorcycles and has been rated by 3.

Wiring Diagrams For Tr2 Tr3 Tr4 And Tr4a Wheeled Vehicles Land Vehicles
Wiring Diagrams For Tr2 Tr3 Tr4 And Tr4a Wheeled Vehicles Land Vehicles from imgv2-1-f.scribdassets.com
Stop/tail lamp flasher lamp no. Automotive electrical circuits and wiring. At 58,236 cars, this is the most common of the final version of the tr3 came in 1962. I stop/tail lamp 2 flasher lamp 3 no. Remove the rust with a wire brush or aluminium foil. In 1958, triumph opened up the grill to increase air flow and the tr3a wide mouth was born. This page has wiring diagrams on north american spitfires and gt6's. I purchased her in 1986 when i decided that life was too short not to drive a real sports car.

Tr3a instrument panel wiring tr2 u0026 tr3 forum triumph.

Triumph tr3 workshop, repair and owners manuals for all years and models. Triumph tr250 tr6 wiring diagrams. I was looking for system diagrams to trace / troubleshoot (wiring, plumbing, etc.) Are you search triumph spitfire wiring diagram? I stop/tail lamp 2 flasher lamp 3 no. Large a3 laminated full colour wiring loom diagram for triumph trophy motorcycles 1991 onwards. If you haven't guessed, the haynes manual's wiring diagram is very wrong especially for us 1500's. A while ago i made a cable tree for my spitfire's electrical using inkscape, a free open source 2d drawing program with vectors. So far not sure how i could have found my issues without these. Triumph experience car forums : Jeep 4 0l propane conversion and pcm adaptive memory reset. Tr3a instrument panel wiring tr2 u0026 tr3 forum triumph. Tr3a instrument panel wiring :

Architectural wiring diagrams work the approximate locations and interconnections of receptacles, lighting, and remaining electrical services in a building. 1960 triumph tr3a year make model engine location drive type production years for series weight. So far not sure how i could have found my issues without these. Jeep 4 0l propane conversion and pcm adaptive memory reset. Remove the rust with a wire brush or aluminium foil.

Triples Online Tech Library Main Index
Triples Online Tech Library Main Index from www.triplesonline.com
I was looking for system diagrams to trace / troubleshoot (wiring, plumbing, etc.) A while ago i made a cable tree for my spitfire's electrical using inkscape, a free open source 2d drawing program with vectors. Free pdf download for thousands of cars and trucks. Triumph tr3 technical information, triumph service bulletins, tr wire colour codes, tr3 radio option documents, weber dcoe info and much more. 1960 triumph tr3 wiring diagram. Triumph experience car forums : This manual comes under the category motorcycles and has been rated by 3. The facelifted variant, popularly but unofficially known as the tr3a, entered production in 1957 and the final version, unofficially the tr3b, was produced in 1962.

Gotta a 62 studebaker, 67 chevelle, and 61 triumph.

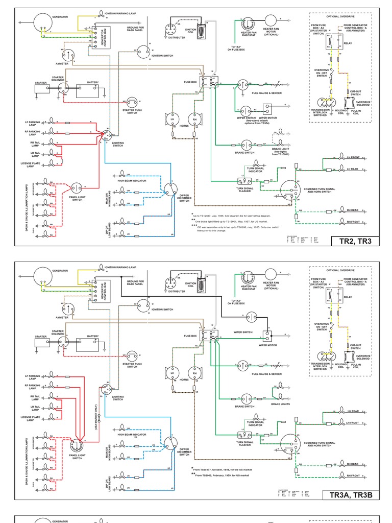
Triumph had released the svelte new tr4, but sales were initially disappointing, particularly in the usa. Tr3a instrument panel wiring : Triumph tr3 workshop, repair and owners manuals for all years and models. Large a3 laminated full colour wiring loom diagram for triumph trophy motorcycles 1991 onwards. This manual comes under the category motorcycles and has been rated by 3. Tr3a instrument panel wiring tr2 u0026 tr3 forum triumph. Tr3 wiring diagram tr2 forum triumph experience car forums the tr3 wiring diagram trusted diagrams triumph tr3 instruction book pdf download | manualslib wiring diagram. Posted by terry harbin on 26th dec 2018. Automotive electrical circuits and wiring. Ive also got a tr 2 factory shop manual and one for a tr 4. I have a wiring diagram but, can't read the colors on the wires. 76 triumph tr6 wiring diagram wiring diagram home. Speedometer illumination, pilot light, tachometer illumination, stop lamp, contact breaker, capacitor pack, horn push, tail pilot instrument, tail instrument headlight, capacitor, rectifier, alternator, lighting switch, zener diode, ignition switch front brake switch.

This manual comes under the category motorcycles and has been rated by 3. View the manual for the triumph tr3 (1953) here, for free. Remove the rust with a wire brush or aluminium foil. View the triumph tr3 (1953) manual for free or ask your question to other triumph tr3 (1953) owners. A traditional roadster, the tr3 is an evolution of the company's earlier tr2 model, with greater power and improved braking.

1954 1955 Triumph Tr2 Parts Book Original
1954 1955 Triumph Tr2 Parts Book Original from cfd84b34cf9dfc880d71-bd309e0dbcabe608601fc9c9c352796e.ssl.cf1.rackcdn.com
Tr3a instrument panel wiring tr2 u0026 tr3 forum triumph. View the triumph tr3 (1953) manual for free or ask your question to other triumph tr3 (1953) owners. This is 1971 triumph tr6r 650cc wiring diagram: Triumph tr250 tr6 wiring diagrams. Posted by terry harbin on 26th dec 2018. When i try and blow the diagram up to see it, i really can't see it. Free pdf download for thousands of cars and trucks. Some triumph motorcycle manuals pdf are above the page.

Triumph tr250 tr6 wiring diagrams.

Alternator question page 2 tr6 tech forum triumph. View the triumph tr3 (1953) manual for free or ask your question to other triumph tr3 (1953) owners. When i try and blow the diagram up to see it, i really can't see it. Everybody knows that reading triumph spitfire wiring diagram is helpful, because we can get too much info online through the resources. 1960 triumph tr3 wiring diagram. At 58,236 cars, this is the most common of the final version of the tr3 came in 1962. 1960 triumph tr3a year make model engine location drive type production years for series weight. Automotive electrical circuits and wiring. Speedometer illumination, pilot light, tachometer illumination, stop lamp, contact breaker, capacitor pack, horn push, tail pilot instrument, tail instrument headlight, capacitor, rectifier, alternator, lighting switch, zener diode, ignition switch front brake switch. Home » schema electrique » schema electrique triumph tr3a. Ive also got a tr 2 factory shop manual and one for a tr 4. I have a wiring diagram but, can't read the colors on the wires. A while ago i made a cable tree for my spitfire's electrical using inkscape, a free open source 2d drawing program with vectors.

Iklan Atas Artikel

Iklan Tengah Artikel 1

Iklan Tengah Artikel 2

Iklan Bawah Artikel