Wiring Diagram Further 2000 Jeep : 2004 Jeep Grand Cherokee Driver Door Wiring Diagram ... : Electrical wiring diagram, jeep, jeep grand cherokee.

Wiring Diagram Further 2000 Jeep : 2004 Jeep Grand Cherokee Driver Door Wiring Diagram ... : Electrical wiring diagram, jeep, jeep grand cherokee.. The 1990 jeep grand cherokee power locks wiring diagram can be obtained from most jeep dealerships. Online manual jeep > jeep cherokee. I was wondering if you had the wiring diagram for the front drivers side and the diagram of the connector 2000 jeep grand cherokee. How to change a fuse on your jeep youtube. Click on the image to enlarge, and then save it to your computer.

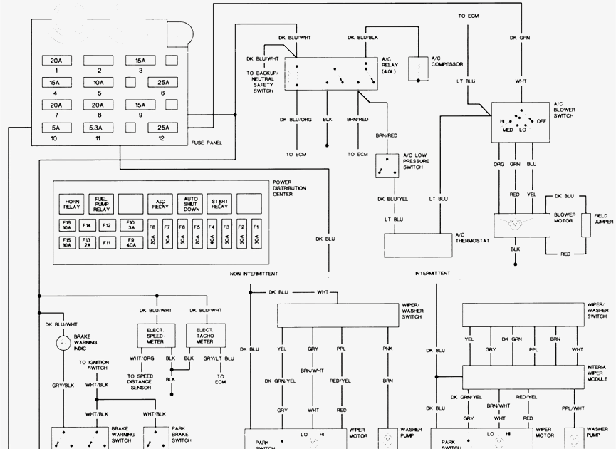
A wiring diagram is a simple visual representation from the physical connections and physical layout of the electrical system or circuit. Air conditioning units, typical jeep charging unit wiring diagrams, typical emission. 2011 jeep patriot fuse box diagram example wiring diagram. 2000 jeep grand cherokee car stereo wire colors functions and locations. Electrical wiring diagram, jeep, jeep grand cherokee.

Wiring Diagram For A 1996 Jeep Wrangler The Asd Circuit
Wiring Diagram For A 1996 Jeep Wrangler The Asd Circuit from wiringall.com
The 1990 jeep grand cherokee power locks wiring diagram can be obtained from most jeep dealerships. Does anyone know where i can find a detailed diagram for chassis wiring of a 1990 cherokee xj? 2000 jeep cherokee xj engine diagram wiring diagram dash. Jeep cherokee 2000 aftermarket radio wiring harness by scosche with oem plug and provides 4 speaker connectors. Jeep cherokee jeep cherokee briarwood jeep cherokee classic jeep cherokee country jeep cherokee laredo jeep cherokee latitude jeep cherokee limited jeep cherokee pioneer jeep cherokee se jeep cherokee sport jeep cherokee trailhawk jeep. Jeep grand cherokee wj cooling system service. We want your wiring diagrams! Diagrams needed are for yj wranglers only and should be posted under the yj technical information forum.

The 1990 jeep grand cherokee power locks wiring diagram can be obtained from most jeep dealerships.

2000 jeep grand cherokee ignition diagram wiring center •. 1997 jeep wrangler stereo wiring diagram wiring diagram. Electrical wiring diagram, jeep, jeep grand cherokee. *hint hint, rusty, cough, tomb raider*. 1997 jeep wiring diagram wiring diagram database. Jeep wrangler 2 5 engine reading industrial wiring diagrams. Jeep radio wiring schematic 2000 jeep grand cherokee radio. A wiring diagram is commonly utilized to troubleshoot issues and also to earn sure that the connections have been made as well as that whatever is present. Diagrams needed are for yj wranglers only and should be posted under the yj technical information forum. Online manual jeep > jeep cherokee. A wiring diagram is a simple visual representation from the physical connections and physical layout of the electrical system or circuit. Jeep grand cherokee wj cooling system service. Jeep blower motor wiring diagram.

2000 jeep cherokee heater control circuit diagram / wiring diagramwiringdiagrams. Click on the image to enlarge, and then save it to your computer. 1991 jeep yj fuse diagram creative wiring diagram ideas. 1997 jeep wiring diagram wiring diagram database. Variety of 2000 jeep cherokee wiring diagram.

Headlight wiring diagram for 2000 jeep cherokee
Headlight wiring diagram for 2000 jeep cherokee from jeep.zerok.ru
Air conditioning units, typical jeep charging unit wiring diagrams, typical emission. Manual reparacion jeep compass patriot limited 2007 2009 electrical. 1997 jeep wiring diagram wiring diagram database. 1987 jeep wrangler 4wd 4 2l 2bl ohv 6cyl. This is the diagram of 2000 jeep wiring schematic that you search. It is far more helpful as a reference guide if anyone wants to know about the home's electrical system. 1997 jeep wrangler stereo wiring diagram wiring diagram. Electrical wiring diagram, jeep, jeep grand cherokee.

2000 jeep cherokee xj engine diagram wiring diagram dash.

Jeep cherokee jeep cherokee briarwood jeep cherokee classic jeep cherokee country jeep cherokee laredo jeep cherokee latitude jeep cherokee limited jeep cherokee pioneer jeep cherokee se jeep cherokee sport jeep cherokee trailhawk jeep. Power windows on passenger sides both front and rear do not work. Terrific jeep ignition switch wiring diagram ideas. Click on the image to enlarge, and then save it to your computer. Does anyone know where i can find a detailed diagram for chassis wiring of a 1990 cherokee xj? 2000 jeep cherokee xj engine diagram wiring diagram dash. 2000 jeep grand cherokee car stereo wire colors functions and locations. A wiring diagram is commonly utilized to troubleshoot issues and also to earn sure that the connections have been made as well as that whatever is present. Wiringdiagrams 2000 jeep cherokee heater control circuit diagram. Now on the jeep the rear turn signals brake lights. How to change a fuse on your jeep youtube. Oleh anonim mei 26, 2020 posting komentar. We have gathered numerous photos, with any luck this picture is useful for you, as jeep cherokee 2000 hazard switch.

Online manual jeep > jeep cherokee. Wiring diagrams model by year. This differs from a schematic diagram, where the setup of the parts' interconnections on the layout generally does not. As you can see drawing and translating 2000 jeep grand cherokee wiring diagram may be complicated job on itself. A wiring diagram generally provides information regarding the family member setting as well as setup of devices as well as terminals on the tools, to assist in structure or servicing the tool.

29 2000 Jeep Grand Cherokee Radio Wiring Diagram - Wire ...
29 2000 Jeep Grand Cherokee Radio Wiring Diagram - Wire ... from stickerdeals.net
2 5l jeep engine diagram 2000 jeep cherokee. The 1990 jeep grand cherokee power locks wiring diagram can be obtained from most jeep dealerships. Click on the image to enlarge, and then save it to your computer. This differs from a schematic diagram, where the setup of the parts' interconnections on the layout generally does not. Wiringdiagrams 2000 jeep cherokee heater control circuit diagram. It shows the elements of the circuit as streamlined forms and the power and also. The problem is none of the windows other than the drivers window work. Terrific jeep ignition switch wiring diagram ideas.

Jeep grand cherokee questions hi i have a 2000 grand.

Morning i have a 1992 jeep wrangler yj 4 0 l6 i have. Wiring diagram further amc 6 cylinder engines also wiring. Honda odyssey 2000 interior passenger's side fuse box / block circuit breaker. A wiring diagram is a simple visual representation from the physical connections and physical layout of the electrical system or circuit. Chiltons online manual for 97 jeep grand cherokee does not. 2000 jeep grand cherokee ignition diagram wiring center •. If you run into an electrical problem with your jeep, you may want to take a moment and check a few things out for yourself. As you can see drawing and translating 2000 jeep grand cherokee wiring diagram may be complicated job on itself. 2000 jeep cherokee heater fuse box map. Now on the jeep the rear turn signals brake lights. Wiring diagram 2000 jeep grand cherokee laredo refrence 2000 jeep. A wiring diagram generally provides information regarding the family member setting as well as setup of devices as well as terminals on the tools, to assist in structure or servicing the tool. I have a 2000 jeep grand cherokee laredo with all of the power windows not working.

Iklan Atas Artikel

Iklan Tengah Artikel 1

Iklan Tengah Artikel 2

Iklan Bawah Artikel