Studebaker Wiring Diagram : Studebaker Wiring Diagram Fully Laminated Poster Kwik Wire Electrify Your Ride : Freightliner trucks spare parts catalogs, workshop & service manuals pdf, electrical wiring diagrams, fault codes free download!

Studebaker Wiring Diagram : Studebaker Wiring Diagram Fully Laminated Poster Kwik Wire Electrify Your Ride : Freightliner trucks spare parts catalogs, workshop & service manuals pdf, electrical wiring diagrams, fault codes free download!. Wiring diagram a wiring diagram shows, as closely as possible, the actual location of all wiring diagram. See more ideas about scooter, 150cc scooter, chinese scooters. This is not an automated service. Current stock original factory wire colors including tracers when applicable. This is the studebaker wiring diagrams , wiring diagrams for studebaker cars of a picture i get coming from the 1958 chevy ammeter wiring schematic collection.

Acura tsx repair manual, operation and maintenance manuals from. Dimensions are 428 millimeters width by 276 millimeters height by 10.5 grams weight. Clark forklift (partproplus) electronic spare parts catalogs Electric wiring diagrams, circuits, schematics of cars, trucks & motorcycles. It shows the components of the circuit as simplified shapes, and the power and signal connections between the devices.

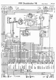
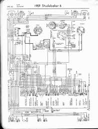
51 Studebaker Champion Wiring Studebaker Drivers Club Forum
51 Studebaker Champion Wiring Studebaker Drivers Club Forum from forum.studebakerdriversclub.com
See more ideas about scooter, 150cc scooter, chinese scooters. Wiring diagrams and color codes for golden age humbucking pickups. Wiring diagrams are made up of two things. Large size, clear text, easy to read. You still need to fix the. Studebaker car wiring diagrams download free, studebaker cars history. F electrical wiring diagram (system circuits). Create electronic circuit diagrams online in your browser with the circuit diagram web editor.

These wire diagrams show electric wires for trailer lights, brakes, aux power how to wire a trailer.

Current stock original factory wire colors including tracers when applicable. Studebaker car wiring diagrams download free, studebaker cars history. No copyright registration or renewal found on file. Carmanualshub.com automotive pdf manuals, wiring diagrams, fault codes, reviews, car manuals and news! All wiring diagrams are viewed from the back of the guitar. Learn about wiring diagram symbools. Large size, clear text, easy to read. Optional none 11 x 17 18 x 24. Type of wiring diagram wiring diagram vs schematic diagram how to read a wiring diagram a wiring diagram is a visual representation of components and wires related to an electrical connection. Universal wiring diagrams may not have the make and model of the chassis referenced, only the. Mazda 3 fl 2006 wiring diagram. Wiring diagram for 1958 studebaker and packard golden hawk and packard hawk. Each diagram that is requested has to be hand once you get your free wiring diagrams, then what do you do with it.

Large size, clear text, easy to read. This is the studebaker wiring diagrams , wiring diagrams for studebaker cars of a picture i get coming from the 1958 chevy ammeter wiring schematic collection. Dimensions are 428 millimeters width by 276 millimeters height by 10.5 grams weight. Universal wiring diagrams may not have the make and model of the chassis referenced, only the. Wiring diagrams and color codes for golden age humbucking pickups.

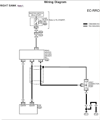
43 Studebaker Blueprints Drawings Ideas Blueprint Drawing Blueprints Studebaker
43 Studebaker Blueprints Drawings Ideas Blueprint Drawing Blueprints Studebaker from i.pinimg.com
It shows the components of the circuit as simplified shapes, and the power and signal connections between the devices. Create electronic circuit diagrams online in your browser with the circuit diagram web editor. Home theater component wiring diagrams. A wiring diagram is a type of schematic that uses abstract pictorial symbols to show all the interconnections of components in a system. This is not an automated service. Make and model of abs ecu. Each diagram that is requested has to be hand once you get your free wiring diagrams, then what do you do with it. F electrical wiring diagram (system circuits).

A wiring diagram is a simplified conventional pictorial representation of an electrical circuit.

All wiring diagrams are viewed from the back of the guitar. Wiring diagrams are made up of two things. Clark forklift (partproplus) electronic spare parts catalogs Read how to draw a circuit diagram. Home theater component wiring diagrams. This is the studebaker wiring diagrams , wiring diagrams for studebaker cars of a picture i get coming from the 1958 chevy ammeter wiring schematic collection. Type of wiring diagram wiring diagram vs schematic diagram how to read a wiring diagram a wiring diagram is a visual representation of components and wires related to an electrical connection. Page all efi and mpi inboard and ski. Make and model of abs ecu. Large size, clear text, easy to read. Need a trailer wiring diagram? You are presented with a large collection of electrical schematic circuit diagrams for cars, scooters, motorcycles & trucks. Each diagram that is requested has to be hand once you get your free wiring diagrams, then what do you do with it.

Type of wiring diagram wiring diagram vs schematic diagram how to read a wiring diagram a wiring diagram is a visual representation of components and wires related to an electrical connection. 1964 postal zip van wiring diagram legend. Wiring diagrams and color codes for golden age humbucking pickups. All wiring diagrams are viewed from the back of the guitar. Circuit and wiring diagram download:

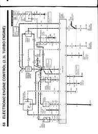
Diagram Rj45 Color Wiring Diagram Full Version Hd Quality Wiring Diagram Soadiagram Smpavullo It
Diagram Rj45 Color Wiring Diagram Full Version Hd Quality Wiring Diagram Soadiagram Smpavullo It from www.illzoni.com
Wiring diagrams are made up of two things. To locate the correct wiring diagram for your vehicle you will need: See more ideas about scooter, 150cc scooter, chinese scooters. A wiring diagram is a simplified conventional pictorial representation of an electrical circuit. Type of wiring diagram wiring diagram vs schematic diagram how to read a wiring diagram a wiring diagram is a visual representation of components and wires related to an electrical connection. Home theater component wiring diagrams. A wiring diagram is a type of schematic that uses abstract pictorial symbols to show all the interconnections of components in a system. Mazda 3 fl 2006 wiring diagram.

Wiring diagrams are made up of two things.

This is the studebaker wiring diagrams , wiring diagrams for studebaker cars of a picture i get coming from the 1958 chevy ammeter wiring schematic collection. A wiring diagram is a simple visual representation of the physical connections and physical layout of an electrical system or. No copyright registration or renewal found on file. Clark forklift (partproplus) electronic spare parts catalogs Wiring diagrams are made up of two things. You still need to fix the. Acura tsx 2004 interior lights wiring diagram. F electrical wiring diagram (system circuits). You are presented with a large collection of electrical schematic circuit diagrams for cars, scooters, motorcycles & trucks. Dimensions are 428 millimeters width by 276 millimeters height by 10.5 grams weight. See more ideas about scooter, 150cc scooter, chinese scooters. Now we have to choose the based on all the different wiring diagrams shown here, 2.2 liter with and without cng, with and. Learn about wiring diagram symbools.

Iklan Atas Artikel

Iklan Tengah Artikel 1

Iklan Tengah Artikel 2

Iklan Bawah Artikel